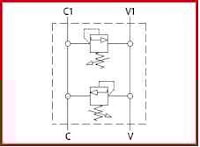
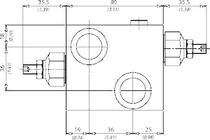
Клапаны перекрестные предохранительные OLEOWEB: VBDC, DCA, DCL, DCV, DCF, DCM 350 бар, 40 л/мин
350 бар, 40 л/мин
| Вязкость масла | 10-500 мм2/с |
| Требование к чистоте масла | SAE класс 4 и выше |
| Температура рабочей жидкости | от - 20 °С до + 80 °С |
| Температура окружающей среды | от - 20 °С до + 50 °С |
| Максимальное давление | 35 МПа (350 бар) |
| Масса | 0,8-1,5 кг |
Скачать технические характеристики, размеры
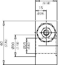
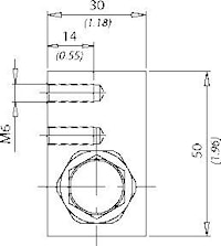
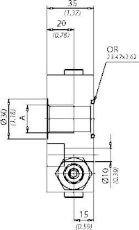
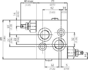
Клапан сдвоенный предохранительный тип VBDC
| Технические характеристики | |||||||
| Модель | A | Макс. расход л/мин | Макс. давл., бар | B | C | Масса, кг. | Тип клапана |
| VBDC380 | BSPP3/8 | 40 | 350 | 28 | 21 | 1,1 | VMD40 |
| VBDC120 | BSPP1/2 | 40 | 350 | 33 | 18,5 | 1,1 | VMD40 |
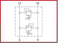
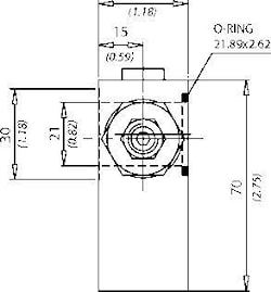
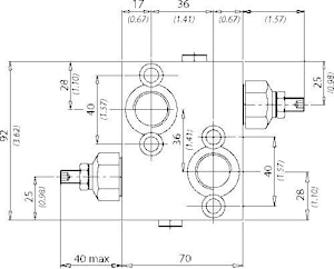
Клапан сдвоенный предохранительный тип DCA
| Технические характеристики | |||||||
| Модель | A | Макс. расход л/мин | Макс. давл., бар | B | C | Масса, кг. | Тип клапана |
| DCA140 | BSPP1/4 | 20 | 350 | 22 | 6 | 0,8 | VMD1 |
| DCA380 | BSPP3/8 | 20 | 350 | 20 | 10 | 0,8 | VMD1 |
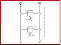
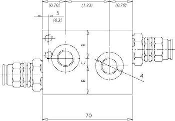
Клапан сдвоенный предохранительный тип DCL
| Технические характеристики | |||||
| Модель | A | Макс. расход л/мин | Макс. давл., бар | Масса, кг. | Тип клапана |
| DCL120 | BSPP 1/2 | 40 | 350 | 1,5 | VMD40 |
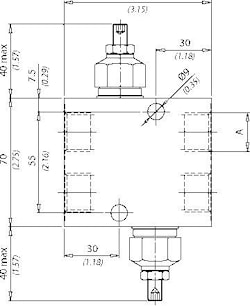
Клапан сдвоенный предохранительный тип DCV
| Технические характеристики | |||||
| Модель | A | Макс. расход л/мин | Макс. давл., бар | Масса, кг. | Тип клапана |
| DCV120 | BSPP 1/2 | 40 | 350 | 1,2 | VMD40 |
Клапан сдвоенный предохранительный тип DCF (для гидромоторов типа MR)
| Технические характеристики | |||||
| Модель | A | Макс. расход л/мин | Макс. давл., бар | Масса, кг. | Тип клапана |
| DCF120 | BSPP1/2 | 40 | 350 | 1,5 | VMD40 |
| DCF2215 | M22 x 1,5 | 40 | 350 | 1,5 | VMD40 |
Клапан сдвоенный предохранительный тип DCM (для гидромоторов типа MS, МГП)
| Технические характеристики | |||||
| Модель | A | Макс. расход л/мин | Макс. давл., бар | Масса, кг. | Тип клапана |
| DCM120 | BSPP 1/2 | 40 | 350 | 1,5 | VMD40 |
| DCM2215 | M22 x 1,5 | 40 | 350 | 1,5 | VMD40 |
производитель
OLEOWEB
Если вы хотите купить клапаны перекрестные предохранительные OLEOWEB: VBDC, DCA, DCL, DCV, DCF, DCM , вы можете:
Позвонить:

