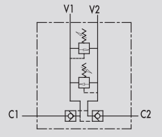
Перекрестный предохранительный клапан с гидрозамком тип VBAU 350 бар, 35 л/мин
350 бар, 35 л/мин

Уплотнение Buna N
Герметичность: незначительные утечки

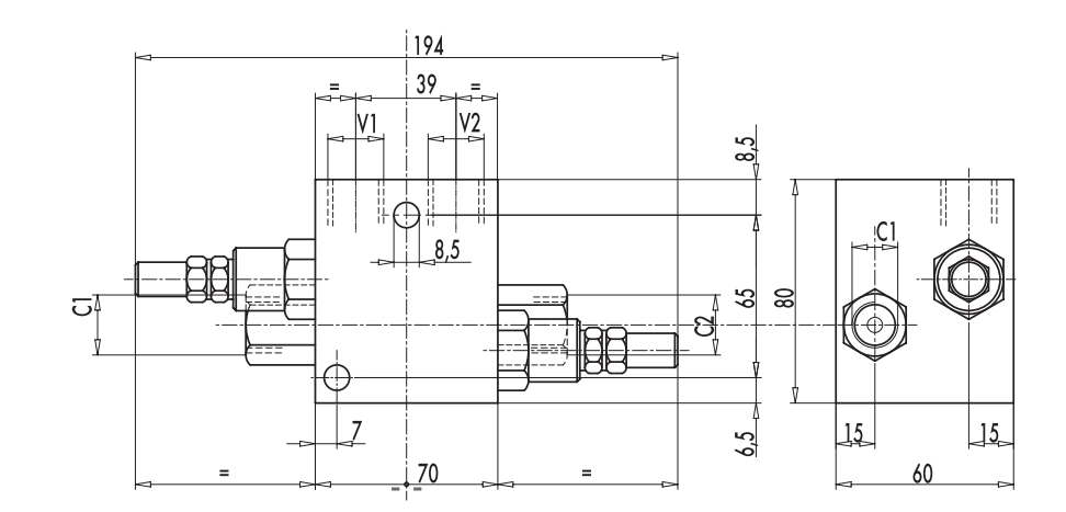
Подключение: подключите V1 и V2 к потоку давления C1 и C2 к приводу.
График перепада давления от расхода

КОД | ТИП | Макс. расход, л/мин | Макс. давление, бар |
V0444 | VBAU 3/8" | 35 | 350 |

КОД | ТИП | V1-V2-C1-C2 | Масса |
GAS | Kg | ||
V0444 | VBAU 3/8" | G 3/8" | 2,534 |
Пружины
Диапазон настройки, бар | чувствительность настройки бар/оборот Q- 4l/min | Предустановка, бар | |
10- 180 standard | 30 | 100 |
Тип регулировки
КОД/V | Маховичок |
КОД/PP | винт |
КОД/PP | винт с колпачком |
производитель
Oleodinamica Marchesini
Если вы хотите купить перекрестный предохранительный клапан с гидрозамком тип VBAU , вы можете:
Позвонить: