Перекрестный предохранительный клапан с антикавитацией с одинарной настройкой тип VAA/RU 300 бар, 60 л/мин
300 бар, 60 л/мин
Клапан линейного монтажа с дополнительными антикавитационными клапанами и дренажной линией. Особенность данного клапана в том, что одной регулировкой устанавливается давление в двух линиях.
Корпус: сталь с цинковым покрытием,
Уплотнение Buna N
Герметичность: незначительные утечки
График перепада давления от расхода

| КОД | ТИП | Макс. расход | Диапазон настроки давления |
| Lt. / min | Bar | ||
| V0508/RU | VAA/RU 1/2" | 60 | 50 - 300 |

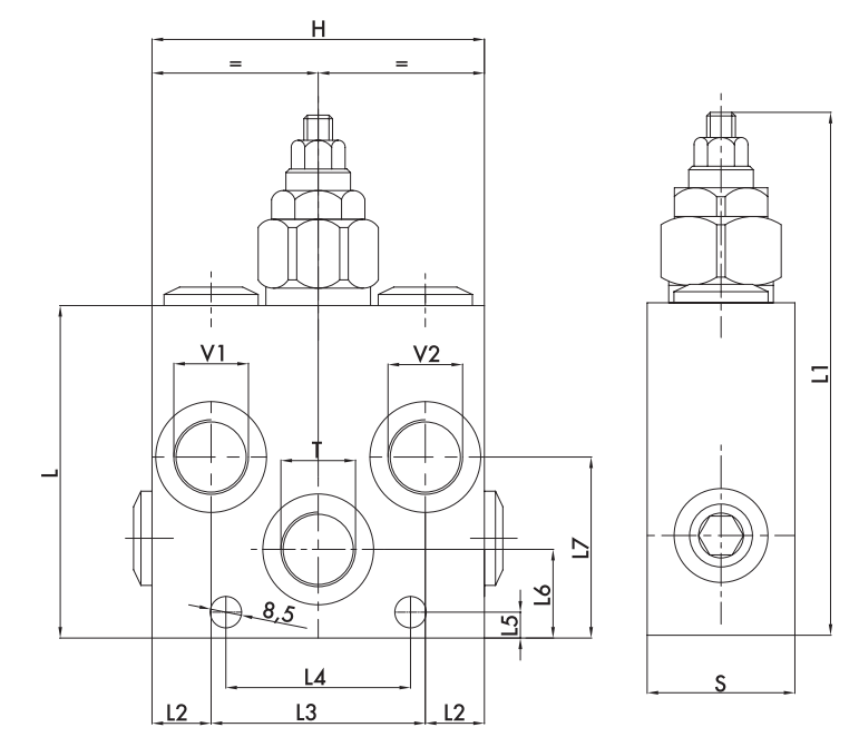
| КОД | ТИП | VI -V2 Т | L | Ll | L2 | L3 | L4 | L5 | L6 | L 7 | H | s | Масса |
| GAS | mm | mm | mm | mm | mm | mm | mm | mm | mm | mm | КГ | ||
| V0508/RU | VAA/RU 1/2" | G 1/2" | 90 | 142 | 16 | 58 | 50 | 7 | 24 | 49 | 90 | 40 | 2,18 |
Тип регулировки
| КОД/V | Маховичок |
| КОД/PP | винт |
| КОД/PP | винт с колпачком |
Аналоги других производителей:
| Oleodinamica Marchesini | MTC (Walvoil) | Oleoweb | Luen | Gumec |
| VAA/RU 1/2" | VAA/RU/DL 12 |
производитель
Oleodinamica Marchesini
Если вы хотите купить перекрестный предохранительный клапан с антикавитацией с одинарной настройкой тип VAA/RU , вы можете:
Позвонить:

