Дифференциальный перекрестный предохранительный клапан тип VAU 1" 350 бар, 160 л/мин
350 бар, 160 л/мин
Клапан линейного монтажа с дифференциальным (непрямым) управлением
Корпус: сталь с цинковым покрытием.
Уплотнение Buna N
Герметичность: незначительные утечки
Подключение: подключите V1 и V2 к потоку давления и к приводу.
График перепада давления от расхода

| КОД | ТИП | Макс. расход, л/мин |
| V0470 | VAU 1" | 160 |

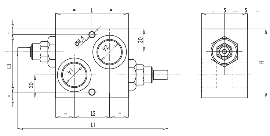
| КОД | ТИП | V1-V2 | L | Ll | L2 | L3 | H | s | Масса |
| GAS | mm | mm | mm | mm | mm | mm | КГ | ||
| V0470 | VAU 1" | Gl" | 95 | 199 | 46 | 75 | 90 | 60 | 3,20 |
Диапазоны настройки:
| КОД | диапазон настройки давления, бар | чувствительнось, изменение настройки за 1 оборот, бар/об. | Предустановка, бар |
| КОД/200 | 20 - 200 | 40 | 160 |
| КОД/400 | 50-400 стандарт | 80 | 180 |
Тип регулировки
| КОД/V | Маховичок |
| КОД/PP | винт |
| КОД/PP | винт с колпачком |
Аналоги других производителей:
| Oleodinamica Marchesini | MTC (Walvoil) | Oleoweb | Luen | Gumec |
| VAU 1" | VAIL 20-100** | RVD-DI-180° 1" |
производитель
Oleodinamica Marchesini
Если вы хотите купить дифференциальный перекрестный предохранительный клапан тип VAU 1" , вы можете:
Позвонить:

