Перекрестный предохранительный клапан фланцевого монтажа на мотор типа OMТ с разблокировкой тормоза тип VAU OMT 350 бар, 100 л/мин
350 бар, 100 л/мин
Корпус: сталь с цинковым покрытием.
Уплотнение Buna N
Герметичность: незначительные утечки
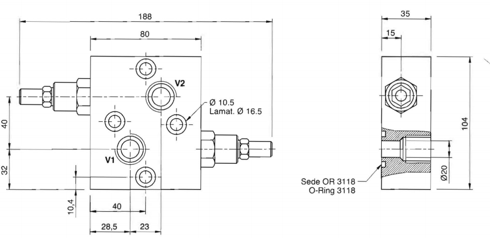
Подключение: монтируется напрямую к фланцу гидромотора
График перепада давления от расхода

| КОД | ТИП | Макс.расход, л/мин | Макс. давление, бар |
| V0505 | VAU 3/4" OMT | 100 | 350 |
| V0506 | VAU 3/4" OMT SE | 100 | 350 |

| КОД | ТИП | VI - V2 | Масса |
| GAS | кг | ||
| V0505 | VAU 3/4" OMT | G 3/4" | 1 920 |
| V0506 | VAU 3/4" OMT SE | G 3/4" | 1,784 |
Пружины
| Диапазон настройки, бар | чувствительность настройки бар/оборот Q- 4l/min | Предустановка, бар |
| 10-50* | 7 | 30 |
| 20-100 | 12 | 75 |
| 10- 180 standard | 30 | 90 |
| 50-250 | 45 | 130 |
| 80 - 300 | 50 | 150 |
* для давления менее 70 бар Q= 12 л/мин
Тип регулировки
| КОД/V | Маховичок |
| КОД/PP | винт |
| КОД/PP | винт с колпачком |
Аналоги других производителей:
| Oleodinamica Marchesini | MTC (Walvoil) | Oleoweb | Luen | Gumec |
| VAU 3/4" OMT | RVD-OMT-3/4 | |||
| VAU 3/4" OMT SE |
производитель
Oleodinamica Marchesini
Если вы хотите купить перекрестный предохранительный клапан фланцевого монтажа на мотор типа OMТ с разблокировкой тормоза тип VAU OMT , вы можете:
Позвонить:

