Дифференциальный перекрестный предохранительный и антикавитационный клапан тип VAUAC 350 бар, 160 л/мин
350 бар, 160 л/мин

Корпус: сталь с цинковым покрытием.
Уплотнение Buna N
Герметичность: незначительные утечки

Подключение: подключите V1 и V2 к потоку давления и к приводу.
График перепада давления от расхода

КОД | ТИП | Макс. расход, л/мин |
V0736 | VAUAC 1" | 160 |

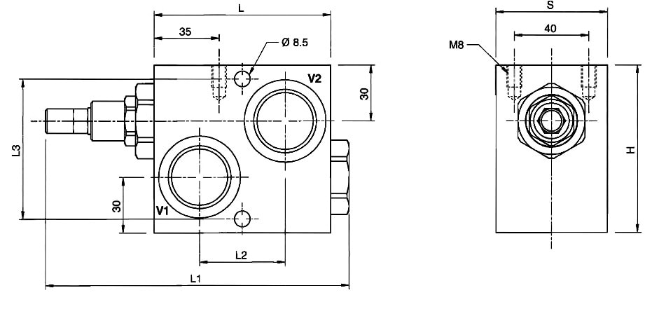
КОД | ТИП | V1-V2 | L | L1 | L2 | L3 | H | s | Масса |
GAS | mm | mm | mm | mm | mm | mm | КГ | ||
V0736 | VAUAC 1" | Gl" | 95 | 164 | 46 | 75 | 90 | 60 | 3,155 |
Диапазоны настройки:
КОД | диапазон настройки давления, бар | чувствительнось, изменение настройки за 1 оборот, бар/об. | Предустановка, бар |
КОД/200 | 20 - 200 | 40 | 160 |
КОД/400 | 50-400 стандарт | 80 | 180 |
Тип регулировки
КОД/V | Маховичок |
КОД/PP | винт |
КОД/PP | винт с колпачком |
производитель
Oleodinamica Marchesini
Если вы хотите купить дифференциальный перекрестный предохранительный и антикавитационный клапан тип VAUAC , вы можете:
Позвонить: