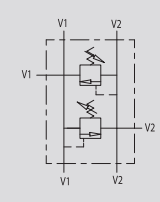
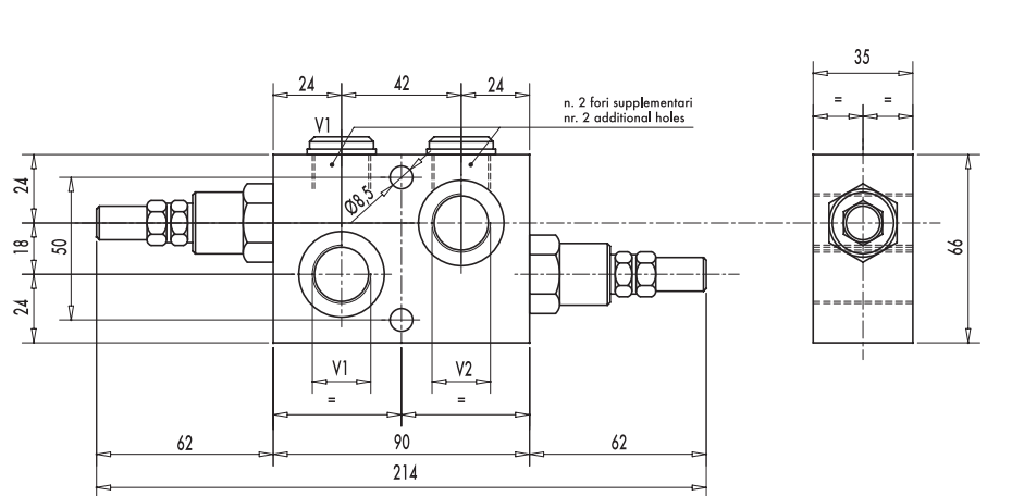
Перекрестный предохранительный клапан 6 портов тип VMPDI 350 бар, 70 л/мин
350 бар, 70 л/мин

Корпус: сталь с цинковым покрытием.
Уплотнение Buna N
Герметичность: незначительные утечки

Подключение: подключите V1 и V2 к потоку давления и к приводу.
График перепада давления от расхода

КОД | ТИП | Макс. расход. л/мин |
V0737 | VMPDI 3/8" | 45 |
V0738 | VMPDI 1/2" | 70 |

КОД | ТИП | VI - V2 | Масса |
GAS | Kg | ||
V0737 | VMPDI 3/8" | G 3/8" | 1,52 |
V0738 | VMPDI 1/2" | G 1/2" | 1,49 |
Пружины
Диапазон настройки, бар | чувствительность настройки бар/оборот Q- 4l/min | Предустановка, бар |
10-50* | 7 | 30 |
20-100 | 12 | 75 |
10- 180 standard | 30 | 90 |
50-250 | 45 | 130 |
80 - 300 | 50 | 150 |
* для давления менее 70 бар Q= 12 л/мин
Тип регулировки
КОД/V | Маховичок |
КОД/PP | винт |
КОД/PP | винт с колпачком |
производитель
Oleodinamica Marchesini
Если вы хотите купить перекрестный предохранительный клапан 6 портов тип VMPDI , вы можете:
Позвонить: