Гидромоторы героторные тип МГП*
Гидромоторы героторные OS* (тип МГП) - гидромоторы высокой мощности с роликовым качающим узлом и клапанным распределителем.Наиболее широко применяются в гидроприводе тракторной, коммунальной и сельскохозяйственной техники.
Благодаря дисковому клапану, компенсированному по давлению и роликовому геротору гидромоторы серии OS (МГП) имеют малые утечки и малые механические потери.
Роликовый геротор также минимизирует трение и таким образом увеличивает эффективность, обеспечивая плавное вращение выходного вала.
Ведущий вал опирается на конический роликовый подшипник, что допускает большие радиальные нагрузки.
Гидромоторы серии OS (МГП) оптимально подходят для:
Конвейеров
Станков
Агропромышленной техники
Дорожно-строительной техники
Горных комбайнов
Пищевой промышленности
Специальных машин
Гидромоторы OS (тип МГП) хорошо работают в условиях повышенной влажности, а также успешно применяются для замены электропривода в пожароопасных местах.
Выпускаются с рабочими объемами от 40 до 315 см и различными присоединительными размерами.
В стандартном исполнении выпускаются с цилиндрическим валом и фланцевым креплением, сочетаются со стандартными редукторами.
Другие варианты исполнения:
Фланцевое или колёсное крепление;
Возможность комплектации барабанным тормозом;
Возможность подключения тахогенератора;
Присоединение к гидромагистрали боковое или заднее;
Возможность подключения датчика скорости;
Три вида валов: цилиндрические, зубчатые и конические;

Скачать технические характеристики и размеры на русском (pdf, 1,6 Mb)
Основные тхарактеристики
| Объем [cm3/rev.] | 80,5÷711,9 |
| Макс скорость [RPM] | 810÷105 |
| Макс момент [daNm] | 23,5÷58 |
| Макс мощность [kW] | 19,5÷5,4 |
| Макс перепад давления [bar] | 200÷55 |
| Макс поток [l/min] | 75 |
| Мин скорость [RPM] | 10÷5 |
| Допустимые нагр на вал [daN] | Prad =1500;Pa =500 |
| Рабочая жидкость | минеральное масло- HLP(DIN 51524) или HM(ISO 6743/4) |
| Диапазон температур [OC] | -30÷90 |
| Оптимальная вязкость [mm2/s] | 20÷75 |
| Чистота жидкости | ISO code 20/16 (Миним. тонкость очистки 25 мкм) |
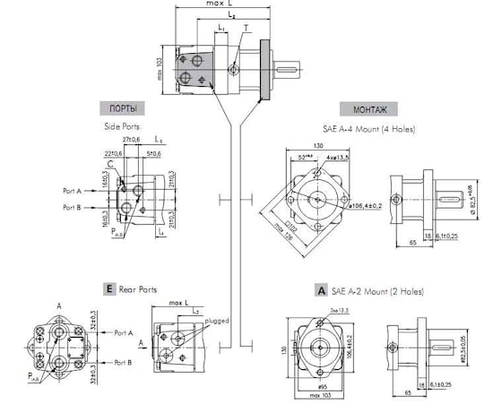
Размеры гидромоторов героторных серии OS (тип МГП)
| Тип | Аналог | L, mm | L2 ,mm | Тип | L, mm | *L1,mm |
| OS(A) 80 | МГП-80 | 166 | 121 | OS(A)E 80 | 173 | 11 |
| OS(A) 100 | МГП-100 | 169 | 125 | OS(A)E100 | 177 | 14,4 |
| OS(A) 125 | МГП-125 | 174 | 129 | OS(A)E125 | 181 | 18,8 |
| OS(A) 160 | МГП-160 | 180 | 135 | OS(A)E160 | 187 | 24,8 |
| OS(A) 200 | МГП-200 | 187 | 142 | OS(A)E200 | 194 | 31,8 |
| OS(A) 250 | 195 | 151 | OS(A)E250 | 203 | 40,5 | |
| OS(A) 315 | МГП-315 | 207 | 162 | OS(A)E315 | 214 | 51,8 |
| OS(A) 400 | 221 | 176 | OS(A)E400 | 228 | 66,4 | |
| OS(A) 475 | 235 | 190 | OS(A)E 475 | 242 | 79,6 | |
| OS(A) 565 | 250 | 206 | OS(A)E 565 | 257 | 95,3 | |
| OS(A) 715 | 276 | 231 | OS(A)E715 | 283 | 121,2 |

С: 2xM10-12 mm глубина
Р(ДВ): 2xG1/2 or 2xM22x1,5-15 mm глубина
T: G ¼ or M14x1,5- 12 mm глубина(заглушено)
Стандартное вращение Реверсивное вращение
Смотреть со стороны конца вала Смотреть со стороны конца вала
Порт А под давлением (вращение по часовой).Порт А под давлением (вращение против часовой)
Порт В под давлением (вращение против часовой). Порт В под давлением (вращение по часовой)
*На данный момент моторы OS не поставляем.
В наличии гидромоторы MSY M+S hydraulics европейского производства.
Если вы хотите купить гидромоторы героторные тип МГП* , вы можете:
Позвонить:

