Гидростанция кассетной линии производства панелей СГИ200-7,5-2090 75 л/мин, 160 бар
75 л/мин, 160 бар

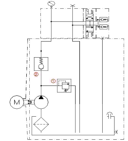
Особенности:
- предохранительный клапан
- сливной фильтр 10 мкм
- манометр
- визуальный указатель уровня с термометром
- гидрозамок
- разгрузка насоса на холостом ходу.
Производительность, л/мин | 75 л/мин |
Тип насоса | шестеренный |
Давление, максимальное, Мпа | 16 |
Электродвигатель | трёхфазный асинхронный |
Частота вращения электродвигателя, об/мин | 1450 |
Напряжение, В | 380 |
Мощность, кВт | 7,5 |
Ёмкость гидробака, л | 200 |
Габаритные размеры, мм | |
Длина | 500 |
Ширина | 700 |
Высота | 1400 |
Условия эксплуатации | |
Температура окружающей среды, оС | 0- 60 |
Вязкость жидкостей, мм2/с | от 15 до 350 |
Вес гидростанции без рабочей жидкости, кг | 140 |

Если вы хотите купить гидростанция кассетной линии производства панелей СГИ200-7,5-2090 , вы можете:
Позвонить: