Гидравлическая испытательная станция
Комплексное решение для испытаний, наладки и питания гидравлических систем
Это мощная и универсальная установка, предназначенная для создания регулируемого потока рабочей жидкости под давлением. Она идеально подходит как для испытательных целей, так и для промышленного применения. Благодаря высокой точности, надежности и модульной конструкции, установка широко применяется в лабораториях, на стендах, в НИОКР-центрах, а также в системах автоматизации и гидроприводов промышленного оборудования.
Назначение и сфера применения
Установка предназначена для:
· Испытания гидрооборудования — гидроцилиндров, гидромоторов, клапанов, распределителей и прочих компонентов
· Подачи рабочей жидкости под давлением к исполнительным органам в промышленных установках
· Работы в составе испытательных стендов, наладочных и ремонтных комплексов
· Автоматизированных линий, где требуется стабильный источник гидравлической энергии
Устройство обеспечивает надежное дистанционное управление потоками жидкости, быстрое переключение режимов работы и точную настройку давления, что особенно важно при проведении испытаний или сложных технологических операций.
Технические характеристики
| Параметр | Значение |
| Давление макс. | до 240 бар |
| Подача | 30 + 4,4 л/мин (два насоса) |
| Мощность электродвигателей | 11 кВт + 3 кВт |
| Напряжение питания | 380 В / 50 Гц |
| Объём бака | 100 л |
| Тип управления | Электромагнитное, 24 В |
| Габариты (Д×Ш×В) | 1200 × 900 × 1000 мм |
| Масса с РЖ | до 150 кг |
| Класс чистоты рабочей жидкости | не ниже 10 по ГОСТ 17216-71 |
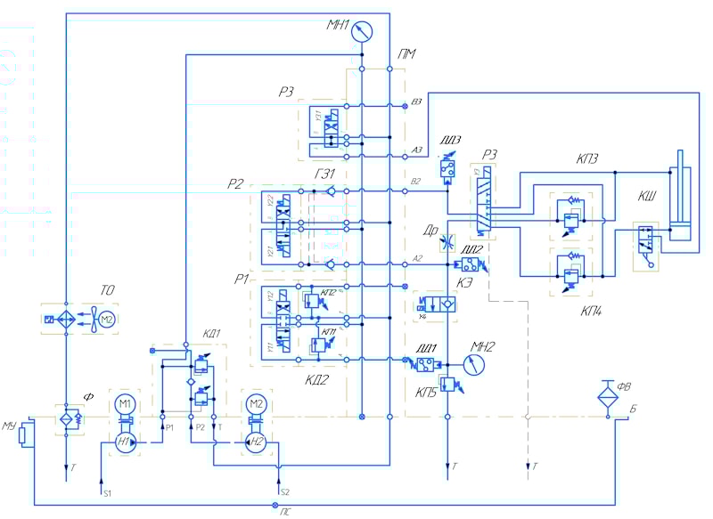
Гидравлическая схема:


| 1. Гидробак | 2. Датчик давления |
| 3.Клапан давления «высокое-низкое» | 4. Клапан давления |
| 5. Клапан последовательности | 6. Клапан электромагнитный |
| 7. Манометр | 8. Указатель уровня масла |
| 9. Электродвигатель М1 | 10. Электродвигатель М2 |
| 11. Насос Н2 | 12. Плита монтажная |
| 13. Пробка сливная | 14. Гидрораспределитель |
| 15. Дивертор | 16. Маслоохладитель |
| 17. Фильтр сливной | 18. Заливная горловина с сапуном |
Особенности конструкции
· Два насоса (Н1 и Н2) обеспечивают независимые контуры высокого и низкого давления
· Электромагнитные распределители позволяют гибко управлять потоками жидкости
· Встроенные предохранительные клапаны, гидрозамки, датчики давления и манометры обеспечивают точную диагностику и безопасность
· Возможность быстрой смены режима работы — например, при переходе от испытания одного компонента к другому
· Сливной и заливной фильтры обеспечивают чистоту рабочей жидкости и защиту оборудования
· Прочная рама и монтажная плита упрощают интеграцию установки в любой технологический процесс
Преимущества для испытательных задач
· 🔧 Высокая точность настройки давления — важна для калибровки и тестирования оборудования
· 💡 Поддержка двух насосных режимов — позволяет моделировать разные нагрузки
· 🧪 Интуитивное управление с индикацией — визуальный контроль за всеми параметрами
· 🔌 Готовность к подключению — всё в комплекте, включая электроприводы, распределители и фильтрацию
· 🛠 Простота обслуживания — регламент технического обслуживания прозрачен и легко реализуем
Применение:
· Производственные и научно-исследовательские лаборатории
· Стенды для гидравлических испытаний и обкатки
· Центры по ремонту и наладке гидрооборудования
· Машиностроение, металлургия, деревообработка
· Подъёмно-транспортные и мобильные установки
Надежность, подтвержденная производителем
Каждая установка проходит обязательные испытания перед отгрузкой и полностью соответствует требованиям ТУ BY 192392814/001-2019 и ГОСТ 29015-91.
Гарантия:
12 месяцев с момента ввода в эксплуатацию или 18 месяцев с даты отгрузки — при соблюдении условий хранения и эксплуатации.

