Делитель потока линейный 50/50 тип V-EQ 1-80 л/мин, 250 бар
Делитель потока линейный тип VEQ предназначен для разделение потока рабочей жидкости в гидросистеме на два равных потока и объединения их в обратном направлении.
Величина расхода в каждом из потоков не зависит от давления (нагрузки). Величина входного потока должна находиться в пределах технических параметров для выбранного типа делителя (см. таблицу).
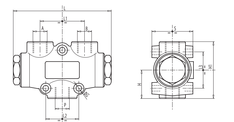
Присоединение "Р" вход, "А" и "В" гидродвигатель.
Материал чугун.
Погрешность за счет утечек в пределах ±2%, рассинхронизация компенсируется в любом из крайних положений гидроцилиндра.
Смотри также делитель потока 50/50 DFL

| КОД | ТИП | Минимальный входящий поток, л/мин | Максимальный входящий поток, л/мин | Номинальное давление, бар | Пиковое давление, бар |
| V1001 | V-EQ 8 | 1 | 3 | 250 | 300 |
| V1000 | V-EQ 10 | 3 | 6 | 250 | 300 |
| V1002 | V-EQ 15 | 6 | 10 | 250 | 300 |
| V1003 | V-EQ 20 | 10 | 20 | 250 | 300 |
| V1004 | V-EQ 22 | 20 | 32 | 250 | 300 |
| V1005 | V-EQ 25 | 25 | 40 | 250 | 300 |
| V1006 | V-EQ 30 | 40 | 60 | 250 | 300 |
| V1007 | V-EQ 50 | 60 | 80 | 250 | 300 |

| КОД | ТИП | P GAS | A-B GAS | L mm | L1 mm | L2 mm | L3 mm | ∅G mm | H mm | H1 mm | s mm | Масса, кг |
| V1001 | V-EQ 8 | G 3/8" | G 3/8" | 117 | 53 | 40 | 45 | 7 | 35 | 68 | 48 | 1,270 |
| V1000 | V-EQ 10 | G 3/8" | G 3/8" | 117 | 53 | 40 | 45 | 7 | 35 | 68 | 48 | 1,270 |
| V1002 | V-EQ 15 | G 3/8" | G 3/8" | 117 | 53 | 40 | 45 | 7 | 35 | 68 | 48 | 1,280 |
| V1003 | V - EQ 20 | G 3/8" | G 3/8" | 117 | 53 | 40 | 45 | 7 | 35 | 68 | 48 | 1,280 |
| V1004 | V-EQ 22 | G 3/8" | G 3/8" | 117 | 53 | 40 | 45 | 7 | 35 | 68 | 48 | 1,280 |
| V1005 | V-EQ 25 | G 1/2" | G 3/8" | 117 | 53 | 40 | 45 | 7 | 35 | 68 | 48 | 1,280 |
| V1006 | V-EQ 30 | G 1/2" | G 3/8" | 117 | 53 | 40 | 45 | 7 | 35 | 68 | 48 | 1,260 |
| V1007 | V - EQ 30 | G 1/2" | G 3/8" | 117 | 53 | 40 | 45 | 7 | 35 | 68 | 48 | 1,260 |
Аналоги других производителей:
| Oleodinamica Marchesini | MTC (Walvoil) | Oleoweb | Luen | Gumec | HBS | VILLA | Bosch Rexroth |
| V-EQ 8 | 23V08L019F00X | ||||||
| V-EQ 10 | 23V10L019F00X | ||||||
| V-EQ 15 | 23V15L019F00X | ||||||
| V-EQ 20 | 23V20L019F00X | ||||||
| V-EQ 22 | 23V22L019F00X | ||||||
| V-EQ 25 | 23V25L019F00X | ||||||
| V-EQ 30 | 23V30L019F00X | ||||||
| V-EQ 50 | 23V50L019F00X |

