Делитель потока гидравлический 50/50 DFL 150 л/мин, 250 бар
Делитель потока DFL разделяет поток на входе в две равные части (50/50), и объединяют его в обратном направлении независимо от значения давления и расхода.
Эти клапаны используются, когда два одинаковых привода, которые не соединены механически, запитанные от одного насоса и управляемые одним распределителем, должны двигаться синхронно.
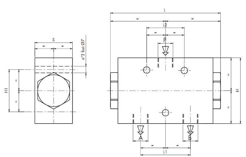
Присоединение "Р" вход, "А" и "В" гидродвигатель.
Материал углеродистая сталь с цинковым покрытием.
| Код | Тип | Мин. расхол, л/мин | Макс. расхол л/мин | Номинальное давление | Пиковое давление, бар |
| V1020 | DFL1-3 | i | 3 | 250 | 300 |
| V1021 | DFL3-6 | 3 | 6 | 250 | 300 |
| V1022 | DFL6 - 10 | 6 | 10 | 250 | 300 |
| V1023 | DFL10-20 | 10 | 20 | 250 | 300 |
| V1024 | DFL20-32 | 20 | 32 | 250 | 300 |
| V1025 | DFL25-40 | 25 | 40 | 250 | 300 |
| V1026 | DFL40-60 | 40 | 60 | 250 | 300 |
| V1027 | DFL60-80 | 60 | 80 | 250 | 300 |
| V1028 | DFL80- 100 | 80 | 100 | 250 | 300 |
| V1029 | DFL100 -120 | 100 | 120 | 250 | 300 |
| V1030 | DFL120-150 | 120 | ' 150 | 250 | 300 |
Погрешность за счет утечек в пределах ±3%, рассинхронизация компенсируется в любом из крайних положений гидроцилиндра.
Типичная схема применения:
<

| Код | Тип | P GAS | A-B GAS | L mm | L1 mm | L2 mm | H mm | H1 mm | H2 mm | S mm | Масса, кг. |
| V1020 | DFL1-3 | G 3/8" | G 3/8" | 117 | 53 | 40 | 70 | 45 | 12,5 | 40 | 1,960 |
| V1021 | DFL3-6 | G 3/8" | G 3/8" | 117 | 53 | 40 | 70 | 45 | 12,5 | 40 | 1,960 |
| V1022 | DFL6-10 | G 3/8" | G 3/8" | 117 | 53 | 40 | 70 | 45 | 12,5 | 40 | 1,956 |
| VI023 | DFL10-20 | G 3/8" | G 3/8" | 117 | 53 | 40 | 70 | 45 | 12,5 | 40 | 1,964 |
| V1024 | DFL20-32 | G 3/8" | G 3/8" | 117 | 53 | 40 | 70 | 45 | 12,5 | 40 | 1,970 |
| V1025 | DFL25-40 | G 1/2" | G 3/8" | 117 | 53 | 40 | 70 | 45 | 12,5 | 40 | 1,936 |
| V1026 | DFL40-60 | G 1/2" | G 3/8" | 117 | 53 | 40 | 70 | 45 | 12.5 | 40 | 1,938 |
| V1027 | DFL60-80 | G 1/2" | G 3/8" | 117 | 53 | 40 | 70 | 45 | 12,5 | 40 | 1,940 |
| V1028 | DFL80-100 | G 3/4" | G 1/2" | 179 | 76 | 140 | 80 | / | 10 | 50 | 4,522 |
| V1029 | DFL100-120 | G1" | G 3/4" | 179 | 76 | 140 | 80 | / | 10 | 50 | 4,380 |
| V1030 | DFL120-150 | G1" | G 3/4" | 179 | 76 | 140 | 80 | / | 10 | 50 | 4,380 |
Аналоги других производителей:
| Oleodinamica Marchesini | MTC (Walvoil) | Oleoweb | Luen | Gumec | HBS | VILLA | Bosch Rexroth |
| DFL1-3 | - | 23A04LO13F02X | |||||
| DFL3-6 | VDF-38 (004 008 D 0 0) | 23B04LO13F02X | A140300.21.00 | 0M5103900255 | |||
| DFL6 - 10 |
| VDF-38 (004 008 A 0 0) | 23C04LO13F02X | A140300.22.00 | FDC 02 A | 0M5103900211 | |
| DFL10-20 | VDFR 38-12 | VDF-38 (004 008 B 0 0) | 23D04LO13F02X | A140300.23.00 | FDC 02 B | 0M5103900222 | |
| DFL20-32 | VDFR 38-24 | 23E04LO13F02X | 0M5103900238 | ||||
| DFL25-40 | VDFR 12-40 | VDF-38 (004 009 C 0 0) | 23F04LO23F02X | A140300.25.00 | FDC 25 C |
| |
| DFL40-60 | 23G04LO13F02X | A140300.26.00 | |||||
| DFL60-80 | 23H04LO13F02X | ||||||
| DFL80- 100 | VDF-34 (004 058 B 0 0) | 23I04LO33F02X | |||||
| DFL100 -120 | 23L04LO43F02X | ||||||
| DFL120-150 | 23M04LO43F02X |
производитель
Oleodinamica Marchesini

