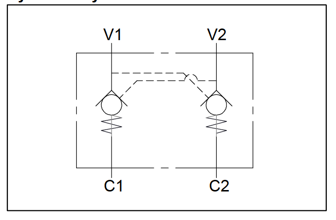
Гидрозамок двустороннего действия тип POC-2-IL 350 бар, до 100 л/мин двусторонний
350 бар, до 100 л/мин
двусторонний

| Спецификация | Значение |
| Вязкость жидкости | ISO 3448 |
| Фильтрация | ISO 4406 |
| Температура жидкости | -20°C до +90°C |
| Температура окружающей среды | -20°C до +50°C |
| Макс. рабочее давление | 350 Bar |
| Внешние поверхности | Оцинкованные |
| Стандартные уплотнения | NBR 70 Shore A |
Размеры, мм

| Стандартный код | Резьба V1-V2 | Резьба C1-C2 | L (мм) | L1 (мм) | L2 (мм) | L3 (мм) | H (мм) | S (мм) | D (мм) | 0F (мм) | Вес (кг) | Макс. поток (л/мин) | Коэффициент пилотирования |
| POC-2-IL 1/4"G | 1/4 | 1/4 | 113 | 90 | 27 | 52 | 60 | 30 | 44 | 8.5 | 1.0 | 20 | 6.25 : 1 |
| POC-2-IL 3/8"G | 3/8 | 3/8 | 113 | 90 | 30 | 52 | 60 | 30 | 44 | 8.5 | 1.2 | 30 | 6.25 : 1 |
| POC-2-IL 1/2"G | 1/2 | 1/2 | 143 | 115 | 39 | 80 | 80 | 35 | 40 | 8.5 | 2.4 | 55 | 4 : 1 |
| POC-2-IL 3/4"G | 3/4 | 3/4 | 177 | 158 | 50 | 105 | 80 | 50 | 58 | 10.5 | 4.6 | 100 | 3.8 : 1 |

производитель
Gumec
Если вы хотите купить гидрозамок двустороннего действия тип POC-2-IL , вы можете:
Позвонить:

