Гидрозамок двустороннего действия VBPDE 2 СС с трубными фитингами 12 мм (DIN2353) 350 бар, до 50 л/мин двусторонний
350 бар, до 50 л/мин
двусторонний
Гидрозамок двустороннего действия VBPDE 2 CС идеально подходят для монтажа на гидроцилиндре.
Материал корпуса: оцинкованная сталь
Материал компонентов: закаленная сталь
Уплотнения: BUNA N (стандартно)
Тип запирающего элемента: без утечек
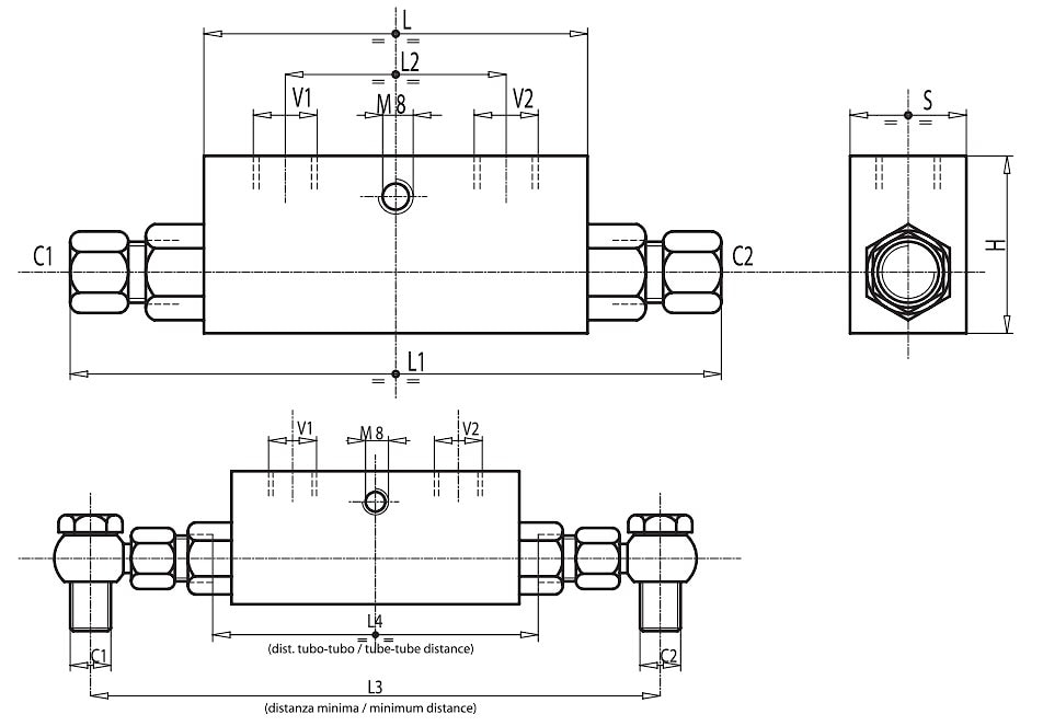
Подключение: Подключите V1 и V2 к напорным линиям, C1 и С2 к полостям цилиндра.
По заказу:
- без уплотнений в управляющей линии
- пружина 1 бар
- пружина 8 бар
Рабочие характеристики при температуре масла 50°С и вязкости 30сСт
Технические данные:
Размеры:

Аналоги других производителей:
| Oleodinamica Marchesini | MTC (Walvoil) | Oleoweb | Luen | Gumec |
| VBPDE 3/8" L2 CC | VRDE015A | VRDD380 | A-VNR-SO-DE-38D-L (003 256 OJO) | POC-2-DIN-3/8-G |
| VBPDE 1/2" L2 CC | VRDE025A | POC-2-DIN-1/2-G |
Если вы хотите купить гидрозамок двустороннего действия VBPDE 2 СС с трубными фитингами 12 мм (DIN2353) , вы можете:
Позвонить:

