Цилиндрический гидрозамок двустороннего действия VBPDE CYL 350 бар, до 45 л/мин двусторонний
350 бар, до 45 л/мин
двусторонний
Цилиндрический гидрозамок двустороннего действия VBPDE CYL Материал корпуса: оцинкованная сталь
Материал компонентов: закаленная сталь
Уплотнения: BUNA N (стандартно)
Тип запирающего элемента: без утечек
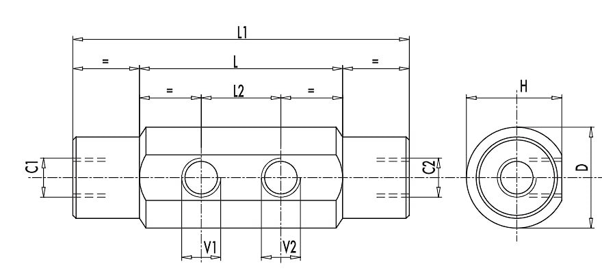
Подключение: Подключите V1 и V2 к напорным линиям, C1 и С2 к полостям цилиндра.
Рабочие характеристики при температуре масла 50°С и вязкости 30сСт
Технические данные:
Размеры:

производитель
Oleodinamica Marchesini
Если вы хотите купить цилиндрический гидрозамок двустороннего действия VBPDE CYL , вы можете:
Позвонить:

