Гидрозамок двустороннего действия VBPDE AL с боковым подключением 350 бар, до 35 л/мин двусторонний
350 бар, до 35 л/мин
двусторонний

Материал корпуса: оцинкованная сталь
Материал компонентов: закаленная сталь
Уплотнения: BUNA N (стандартно)
Тип запирающего элемента: без утечек

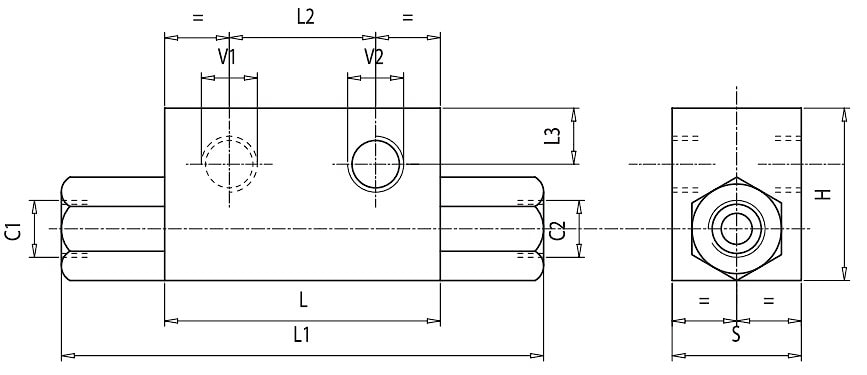
Подключение: Подключите V1 и V2 к напорным линиям, C1 и С2 к полостям цилиндра.
По заказу:
- без уплотнений в управляющей линии
Рабочие характеристики при температуре масла 50°С и вязкости 30сСт

Технические данные:

Размеры гидроклапанов VBPDE AL:


производитель
Oleodinamica Marchesini
Если вы хотите купить гидрозамок двустороннего действия VBPDE AL с боковым подключением , вы можете:
Позвонить: