Гидрозамок двустороннего действия с краном VBPDE / RUBINETTO 350 бар до 50 л/мин
Гидрозамок одностороннего действия с краном тип VBPBE c/RUB предназначен для блокирования гидромотора или гидроцилиндра в обоих направлениях.
Этот клапан пропускает поток в одном направлении свободно и блокирует в обратном, если нет управляющего сигнала.
Гидрозамки с краном имеет повышенную безопасность по сравнению с обычными гидрозамками, поэтому они идеально подходят для монтажа на гидравлические опоры кранов. Запорная система позволяет исключить любой риск, вызванный возможным перемещением штока цилиндра.
Материал корпуса: оцинкованная сталь
Материал компонентов: закаленная сталь
Уплотнения: BUNA N (стандартно)
Тип запирающего элемента: без утечек
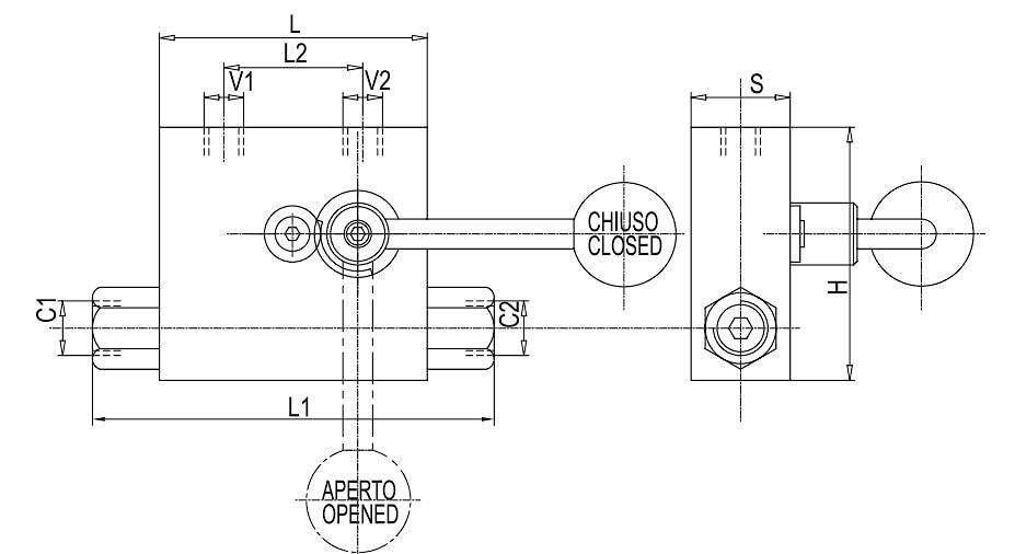
Подключение: V1, V2 - к распределителю, С1, С2 - к цилиндру
Характеристики расхода:
Технические характеристики:
| Код | Тип | RAPP. PILOT PILOT RATIO | макс. расход. л/мин | Макс. даволение, бар | давление открывания Bar |
| V0072 | VBPDE 1/4" L c/RUBINETTO | 1: 5,5 | 20 | 350 | 4 |
| V0074 | VBPDE 3/8" L c/RUBINETTO | 1: 5,5 | 30 | 350 | 3 |
| V0076 | VBPDE 1/2" L c/RUBINETTO | 1: 5 | 50 | 350 | 3 |
| V0132* | VBPDE 1/4" L c/RUB. 2 CEXC | 1: 5,5 | 20 | 350 | 4 |
| V0134* | VBPDE 3/8" L c/RUB. 2 CEXC | 1: 5,5 | 30 | 350 | 4 |
| V0136* | VBPDE 1/2" L c/RUB. 2 CC | 1: 5 | 50 | 350 | 3 |
Размеры:

| Код | Тип | V1 - V2 GAS | C1 - C2 GAS/mm | L mm | L1 mm | L2 mm | H mm | D mm | Масса, кг |
| V0072 | VBPDE 1/4" L c/RUBINETTO | G 1/4" | G 1/4" | 64 | 113 | 34 | 60 | 30 | 0,994 |
| V0074 | VBPDE 3/8" L c/RUBINETTO | G 3/8" | G 3/8" | 64 | 118 | 36 | 60 | 30 | 0,964 |
| V0076 | VBPDE 1/2" L c/RUBINETTO | G 1/2" | G 1/2" | 90 | 142 | 45 | 70 | 35 | 1,708 |
| V0132* | VBPDE 1/4" L c/RUB. 2 CEXC | G1/4" | 12L | 64 | 134 | 34 | 60 | 30 | 1,006 |
| V0134* | VBPDE 3/8" L c/RUB. 2 CEXC | G 3/8" | 12L | 64 | 134 | 36 | 60 | 30 | 0,982 |
| V0136* | VBPDE 1/2" L c/RUB. 2 CC | G 1/2" | 15L | 90 | 164 | 45 | 70 | 35 | 1,752 |
Аналоги других производителей:
| Oleodinamica Marchesini | MTC (Walvoil) | Oleoweb | Luen | Gumec |
| VBPDE 1/4" L c/RUBINETTO | VBPDL/R/S14 (D14 – правый) | |||
| VBPDE 3/8" L c/RUBINETTO | VBPDL/VP/R/S38 (D38 – правый) | |||
| VBPDE 1/2" L c/RUBINETTO | VBPDL/VP/R/S12 (D12 – правый) | |||
| VBPDE 1/4" L c/RUB. 2 CEXC | VRPDE01A | |||
| VBPDE 3/8" L c/RUB. 2 CEXC | VRPDE015A | |||
| VBPDE 1/2" L c/RUB. 2 CC | VRPDE025A |
производитель
Oleodinamica Marchesini

