Гидрозамок двустороннего действия стыкового исполнения VBPDE FL 350 бар, до 55 л/мин двусторонний
350 бар, до 55 л/мин
двусторонний
Гидрозамок двустороннего действия VBPDE FL
Материал корпуса: оцинкованная сталь
Материал компонентов: закаленная сталь
Уплотнения: BUNA N (стандартно)
Тип запирающего элемента: без утечек
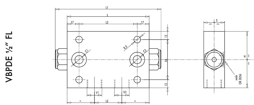
Подключение: Подключите V1 и V2 к напорным линиям, C1 и С2 к полостям цилиндра.
По заказу:
- без уплотнений в управляющей линии
- пружина 1 бар
- пружина 8 бар
Рабочие характеристики при температуре масла 50°С и вязкости 30сСт
Технические данные:
| Код | Обозначение | PILOT RATIO | Расход, л/мин | Давление макс., бар | Мин. давление открытия, бар |
| V0185 | VBPDE 3/8" FL | 1:5,5 | 30 | 350 | 4,5 |
| V0195 | VBPDE 1/2" FL | 1:4,5 | 55 | 350 | 5,5 |
| V0187 | VBPDE 3/8" FL - L3=62 | 1:5,5 | 30 | 350 | 4,5 |
Размеры гидроклапанов VBPDE:

| Код | Обозначение | V1-V2 | C1 - C2 | L | L1 | L2 | L3 | H | S | Масаа |
| BSP | mm | mm | mm | mm | mm | mm | mm | кг | ||
| V0185 | VBPDE 3/8" FL | G 3/8 " | 6,5 | 80 | 113 | 30 | 52 | 60 | 30 | 1,018 |
| V0195 | VBPDE 1/2" FL | G 1/2" | 11 | 115 | 147 | 39 | 81 | 80 | 35 | 2,362 |
| V0187 | VBPDE 3/8" FL - L3=62 | G 3/8" | 6 | 90 | 117 | 32 | 62 | 60 | 35 | 1,342 |
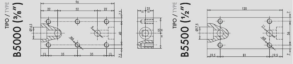
Посадочные места клапанов:

Аналоги других производителей:
| Oleodinamica Marchesini | MTC (Walvoil) | Oleoweb | Luen | Gumec | HBS | VILLA | Bosch Rexroth |
| VBPDE 3/8" FL | VBPDF 38* | VRDF380* | VNR-C-SO-DE-38-FC2 (003 294 OJO) | POC-2-FL 3/8 G | B050352.06.00 | LVDF 15 | 05.53.44-X-02-Z |
| VBPDE 1/2" FL | VBPDF 12* | VRDF120* | VNR-C-SO-DE-12-FC2 (003 054 OJO) | POC-2-FL 1/2 G | B050452.03.00 | LVDF 03 | 05.53.44-X-03-Z |
*- функциональные аналоги, не совпадают присоединительные размеры
производитель
Oleodinamica Marchesini
Если вы хотите купить гидрозамок двустороннего действия стыкового исполнения VBPDE FL , вы можете:
Позвонить:

