Реле давления регулируемое с маховичком и шкалой тип LP A до 600 бар стыковое торцевое A1 стыковое боковое A2 резьбовое присоединение A3
Реле давления серии LP A размыкает и замыкает электрическую цепь в зависимости от повышения или понижения давления. Рабочее давление регулируется в диапазоне от 7 бар до 600 бар.С помощью маховичка.
Реле имеет три типа исполнения по присоединению к гидролинии:
- стыковое торцевое
- стыковое боковое
- резьбовое
Реле данного типа обладают высокой виброустойчивостью.
Можно использовать для любого сжатого воздуха, жидкостей или газов.
• Компактный и экономичный дизайн
• Варианты подключения НО/НЗ, разъем и клеммы.
• Повторяемость реле давления в %3
• Уплотнениее NBR, Тефлон.
• Материал корпуса алюминий
Применяемость
Гидравлика и мобильная гидравлика
Пневматика
Сжатый воздух, жидкости или газы.
Технические данные
| Присоединение | торцевое, боковое, резьбовое |
| Повторяемость | Около %1 от установленного давления |
| Рабочая температура | -40 °C...+110 °C |
| Тест на прочность ( DIN EN 60068-2-27) | 20 g ( Длительность теста 30 min. ) |
| Ударный тест ( DIN EN 60068-2-27:1993 ) | 30 g |
| Количество циклов | 5 000 000 |
| Вязкость | В пределах 10 ... 800 mm2/sec |
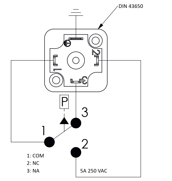
| Электрические характеристики | 5Адо 250VAC |
Электрическое присоединение

Функция переключения
• Клеммы 1 - 3: на них подается ток в случае повышения давления. (НО)
• Клеммы 1 - 2: на них подается ток в случае падения или отсутствия давления. ( НЗ )
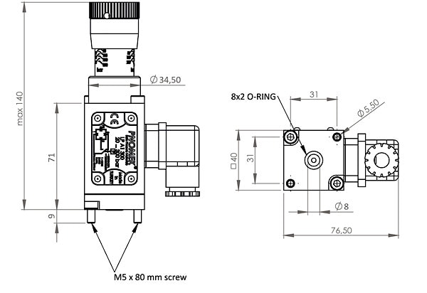
Код заказа и присоединительные размеры
LP A1 торцевое фланцевое присоединение

| Тип | код для заказа | диапазон настройки | мак. давление в системе(PMAX) | Контакты | присоединение |
| LP А1 | LP A1 070 | 7 ... 70 bar | 650 bar | НО/НЗ | фланцевое торцевое |
| LP A1 160 | 10 ... 160 bar | 650 bar | |||
| LP A1 300 | 20 ... 300 bar | 650 bar | |||
| LP A1 400 | 20 ... 400 bar | 650 bar | |||
| LP A1 600 | 50 ... 600 bar | 750 bar |
LP A2 боковое фланцевое присоединение

| Тип | код для заказа | диапазон настройки | мак. давление в системе(PMAX) | Контакты | присоединение |
| LP А2 | LP A2 070 | 7 ... 70 bar | 650 bar | НО/НЗ | фланцевое боковое |
| LP A2 160 | 10 ... 160 bar | 650 bar | |||
| LP A2 300 | 20 ... 300 bar | 650 bar | |||
| LP A2 400 | 20 ... 400 bar | 650 bar | |||
| LP A2 600 | 50 ... 600 bar | 750 bar |
LP A3 резьбовое присоединение

| Тип | код для заказа | диапазон настройки | мак. давление в системе(PMAX) | Контакты | присоединение |
| LP А3 | LP A3 070 | 7 ... 70 bar | 650 bar | НО/НЗ | резьбовое |
| LP A3 160 | 10 ... 160 bar | 650 bar | |||
| LP A3 300 | 20 ... 300 bar | 650 bar | |||
| LP A3 400 | 20 ... 400 bar | 650 bar | |||
| LP A3 600 | 50 ... 600 bar | 750 bar |
Графики разницы давления

производитель
Pnomek

