Тормозной клапан одинарного действия стыковый тип VBCD SE FL 350 бар, до 60 л/мин открытый центр
350 бар, до 60 л/мин
открытый центр
Корпус: сталь с цинковым покрытием.
Уплотнение Buna N
Герметичность: незначительные утечки
Стандартная установка: 320 бар.
Подключение:
Соедините V1 и V2 c гидрораспределителем, фланец С2 напрямую к гидроцилиндру (мотору) на ту сторону, которую необходимо контролировать, С1 свободный поток.
| КОД | ТИП | соотношение площадей | Расход, л/мин | Макс. давление, бар |
| V0400 | VBCD 3/8" SE/FL | 1:4,5 | 40 | 350 |
| V0402 | VBCD 1/2" SE/FL | 1:4,5 | 60 | 350 |
Перепад давления на клапане в зависимости от расхода.
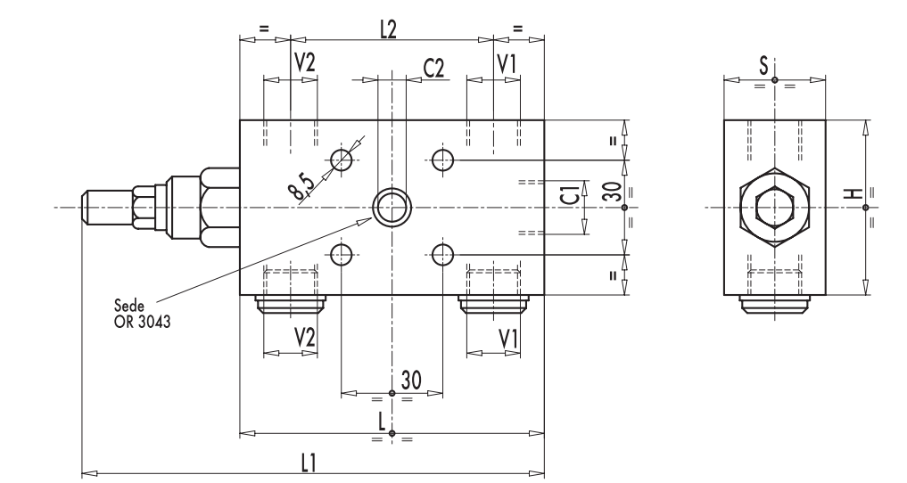
Размеры:

| КОД | ТИП | VI -V2 Cl | C2 | L | LI | L2 | H | s | Масса |
| GAS | mm | mm | mm | mm | mm | mm | kg | ||
| V0400 | VBCD 3/8" SE/FL | G 3/8" | 09 | 100 | 149 | 60 | 60 | 30 | 1,25 |
| V0402 | VBCD 1/2" SE/FL | G 1/2" | 09 | 100 | 149 | 65 | 60 | 30 | 1,21 |
Монтажная поверхность, размеры

Аналоги других производителей:
| Oleodinamica Marchesini | MTC (Walvoil) | Oleoweb | Luen | Gumec | HBS |
| VBCD 3/8" SE/FL | LHV-1-FL-3030-3/8-G | ||||
| VBCD 1/2" SE/FL | LHV-1-FL-3030-1/2-G |
производитель
Oleodinamica Marchesini
Если вы хотите купить тормозной клапан одинарного действия стыковый тип VBCD SE FL , вы можете:
Позвонить:
Ещё из раздела тормозные гидроклапаны (контрбаланс)
Клапан контрбаланса двойного действия стыковый тип VBCD DE FL CC
320 бар, до 60 л/мин
закрытый центр
Данный клапан позволяет контролировать скорость движения гидропривода с попутной нагрузкой в обоих направлениях. Клапан позволяет сохранить постоянную скорость опускания груза и предотвращает кавитацию. Применяется на автовышках, кранах, и других ...

