Тормозной клапан одностороннего действия линейный тип A VBCD SE A 350 бар, 160 л/мин открытый центр
350 бар, 160 л/мин
открытый центр
Клапаны "типа А" отличаются от стандартных соотношением площадей и расположением портов.
Корпус: сталь с цинковым покрытием.
Уплотнение Buna N
Герметичность: незначительные утечки
Стандартная установка: 320 бар.
Подключение:
Соедините V1 и V2 c гидрораспределителем, С1 к порту свободного потока,и С2 к контролируемому порту гидроцилиндра.
Перепад давления на клапане в зависимости от расхода.

| Код | Тип | Соотношение площадей | Макс. расход л/мин | Давление макс., бар. |
| V0382 | VBCD 1/4" SE/A | 1:4,5 | 20 | 350 |
| Y0392 | VBCD 3/8" SE/A | 1:4,5 | 40 | 350 |
| V0412 | VBCD 1/2" SE/A | 1:4,5 | 60 | 350 |
| V0419 | VBCD 3/4" SE/A | 1:5,5 | 95 | 350 |
| V0417 | VBCD 1" SE/A | 1:5,5 | 160 | 350 |

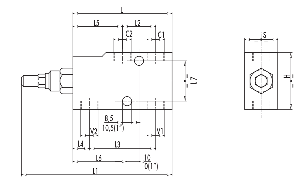
| КОД | ТИП | VI - V2 Cl -C2 GAS | L mm | Ll mm | L2 mm | L3 mm | и mm | L5 mm | L6 mm | 17 mm | H mm | s mm | масса, кг |
| V0382 | VBCD 1/4" SE/A | G 1/4" | 100 | 149 | 30 | 60 | 20 | 50 | 55 | 44 | 60 | 30 | 1,310 |
| Y0392 | VBCD 3/8" SE/A | G 3/8" | 100 | 149 | 30 | 60 | 20 | 50 | 55 | 44 | 60 | 30 | 1,256 |
| V0412 | VBCD 1/2" SE/A | G 1/2" | 100 | 149 | 36 | 65 | 20 | 50 | 57,5 | 44 | 60 | 30 | 1,196 |
| Y0419 | VBCD 3/4" SE/A | G 3/4" | 127 | 187 | 46 | 85 | 23,5 | 62,5 | 75 | 44 | 80 | 35 | 2,372 |
| Y0417 | VBCD 1" SE/A | G 1" | 156 | 213 | 70 | 109,5 | 23,5 | 63 | 75 | 70 | 90 | 50 | 5,520 |
Аналоги других производителей:
| Oleodinamica Marchesini | MTC (Walvoil) | Oleoweb | Luen | Gumec | HBS |
| VBCD 1/4" SE/A | VBCL140** | A-OWC-SE-14-L-FR (001 085 0H0) | LHV-1-SS-1/4-G | ||
| VBCD 3/8" SE/A | VOSL/N1116/38PB | VBCL380* | A-OWC-SE-38-L-FR (001 087 0H0)* | LHV-1-PSA-3/8-G | |
| VBCD 1/2" SE/A | VOSL/N1116/12PB | VBCL120* | A-OWC-SE-12-L-FR (001 093 0H0)* | LHV-1-PSA-1/2-G | |
| VBCD 3/4" SE/A | VBCL340* | LHV-1-PSA-3/4-G | |||
| VBCD 1" SE/A |
*- функциональные аналоги, не совпадают присоединительные размеры
Если вы хотите купить тормозной клапан одностороннего действия линейный тип A VBCD SE A , вы можете:
Позвонить:
Ещё из раздела тормозные гидроклапаны (контрбаланс)
Клапан контрбаланса двойного действия стыковый тип VBCD DE FL CC
320 бар, до 60 л/мин
закрытый центр
Данный клапан позволяет контролировать скорость движения гидропривода с попутной нагрузкой в обоих направлениях. Клапан позволяет сохранить постоянную скорость опускания груза и предотвращает кавитацию. Применяется на автовышках, кранах, и других ...

