Тормозной клапан одинарного действия с болтом банджо тип VBCD SE FLV 350 бар, 60 л/мин открытый центр
350 бар, 60 л/мин
открытый центр
Корпус: сталь с цинковым покрытием.
Уплотнение Buna N
Герметичность: незначительные утечки
Стандартная установка: 320 бар.
Подключение:
Соедините V1 и V2 c гидрораспределителем, фланец С2 напрямую к гидроцилиндру (мотору) на ту сторону, которую необходимо контролировать.
| КОД | ТИП | отношение площадей | макс. расход, л/мин | давление макс., бар |
| V0392/FLV | VBCD 3/8" SE/A FLV | 1:4,5 | 40 | 350 |
| V0412/FLV | VBCD 1/2" SE/A FLV | 1:4,5 | 60 | 350 |
Перепад давления на клапане в зависимости от расхода.
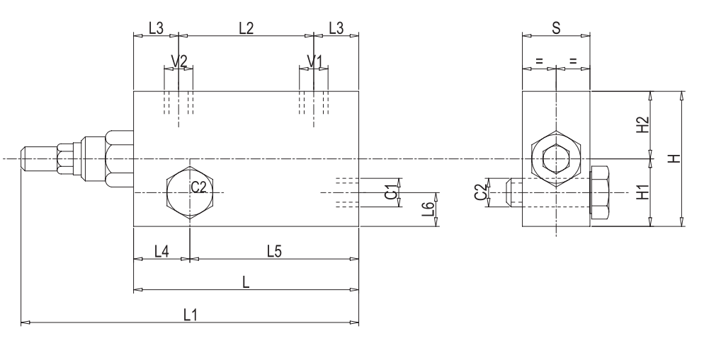
Размеры:

| CODICE | SIGLA | VI - V2 Cl -C2 | L | LI | L2 | L3 | L4 | L5 | L6 | HI | H2 | H | s | Масса |
| CODE | TYPE | GAS | mm | mm | mm | mm | mm | mm | mm | mm | mm | mm | mm | kg |
| V0392/FLV | VBCD 3/8" SE/A FLV | G 3/8" | 100 | 150 | 60 | 20 | 22 | 78 | 15 | 40 | 30 | 70 | 30 | 1,35 |
| V0412/FLV | VBCD 1/2" SE/A FLV | G 1/2" | 100 | 150 | 60 | 20 | 24 | 76 | 15 | 40 | 30 | 70 | 30 | 1,31 |
Аналоги других производителей:
| Oleodinamica Marchesini | MTC (Walvoil) | Oleoweb | Luen | Gumec | HBS |
| VBCD 3/8" SE/A FLV | VBCB380 | LHV-1-BR-3/8-G | |||
| VBCD 1/2" SE/A FLV | LHV-1-BR-1/2-G |
производитель
Oleodinamica Marchesini
Если вы хотите купить тормозной клапан одинарного действия с болтом банджо тип VBCD SE FLV , вы можете:
Позвонить:
Ещё из раздела тормозные гидроклапаны (контрбаланс)
Клапан контрбаланса двойного действия стыковый тип VBCD DE FL CC
320 бар, до 60 л/мин
закрытый центр
Данный клапан позволяет контролировать скорость движения гидропривода с попутной нагрузкой в обоих направлениях. Клапан позволяет сохранить постоянную скорость опускания груза и предотвращает кавитацию. Применяется на автовышках, кранах, и других ...

