Тормозной клапан VBCA 380 350 бар, 40 л/мин
Тормозной клапан VBCA380 предназначен для обеспечения безопасного и эффективного управления движением в гидравлических системах с открытым центром. Этот клапан разработан для контроля контрбаланса и предотвращения нежелательных перемещений под нагрузкой. Модель VBCA380 поддерживает рабочее давление до 350 бар и обеспечивает стабильную работу при высоких нагрузках. Его компактный и прочный дизайн позволяет использовать его в условиях ограниченного пространства, сохраняя при этом высокую надежность и долговечность. Клапан оснащен стандартным соединением BSPP 3/8 и совместим с различными типами гидравлических систем, что делает его универсальным решением для множества приложений.
Код заказа:

| № | Описание | Значение | |||
| 01 | КЛАПАН КОНТРБАЛАНСА ОДИНОЧНЫЙ, МОНТАЖ НА БОЛТ ДЛЯ ОТКРЫТОГО ЦЕНТРА | VBCA | |||
| 02 | BSPP 3/8 | 380 | |||
| 03 | Пружина 30/210 бар | Rp 1:4.25 | 78 бар/оборот | Стандартная настройка Q = 5 л/мин, 200 бар | 1 |
| Rp 1:8.75 | 160 бар/оборот | ||||
| Пружина 60/350 бар | Rp 1:4.25 | 135 бар/оборот | Стандартная настройка Q = 5 л/мин, 350 бар | 2 | |
| Rp 1:8.75 | 160 бар/оборот | ||||
| 04 | Материал | Сталь + оцинковка | S | ||
| Сталь + цинк-никель | K | ||||
| 05 | Отношение пилотирования | 1:4.25 Стандартное | / | ||
| 1:8.75 | 8 | ||||
Параметры:
| Параметр | Значение |
| Гидравлическое масло | Минеральное масло ISO 6743/4 |
| Вязкость масла | 15-250 мм²/с |
| Максимальный класс загрязнения | ISO 4406:1999 Класс 19/17/14 |
| Температура масла | от -20°C до +80°C |
| Температура окружающей среды | от -20°C до +50°C |
| Фильтрация | Необходимо использование фильтра для защиты клапана (рекомендуемая фильтрация 15 мкм) |
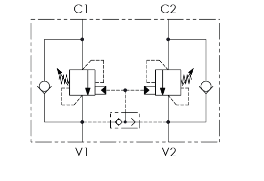
Гидравлическая схема:

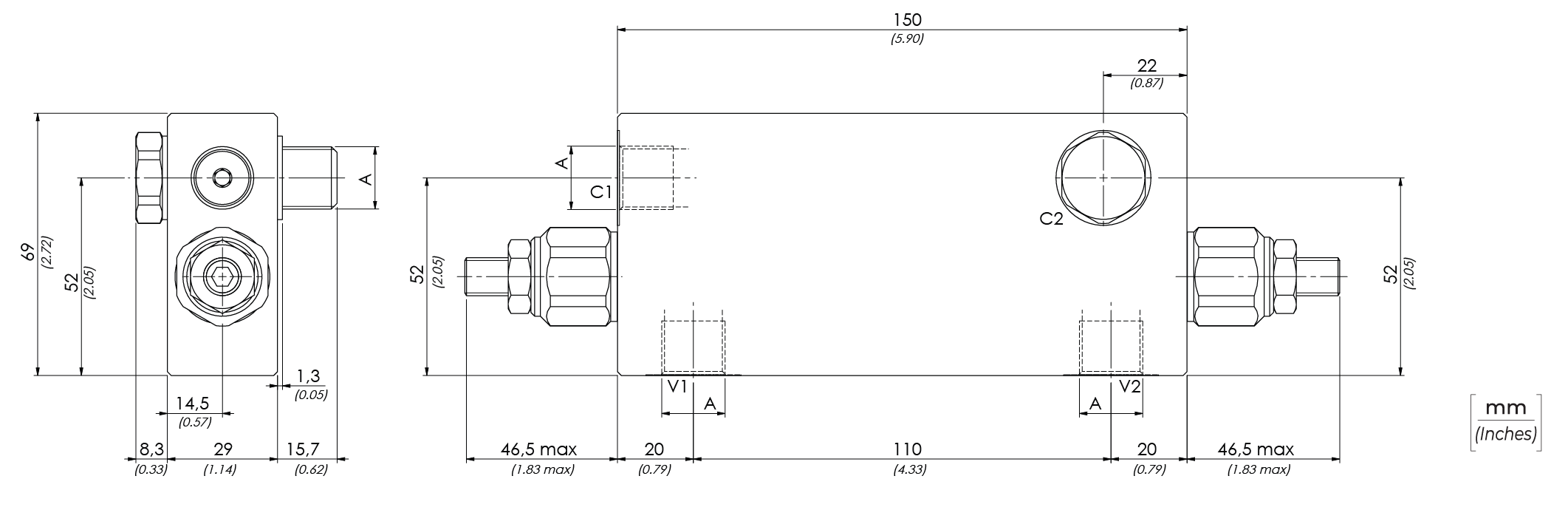
Габаритные размеры:

производитель
OLEOWEB
Ещё из раздела тормозные гидроклапаны (контрбаланс)

