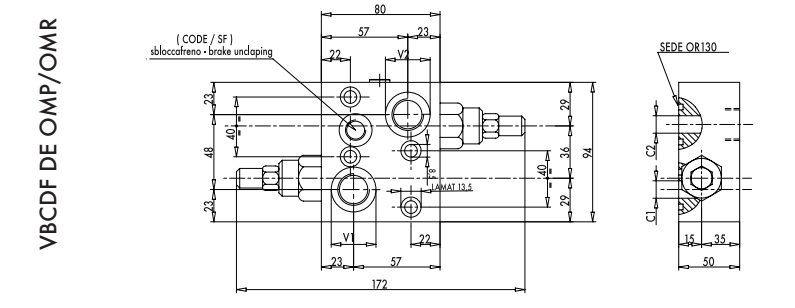
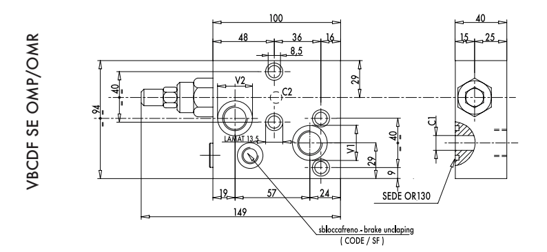
Тормозной клапан фланцевого монтажа на мотор типа OMP/OMR с разблокировкой тормоза и без тип VBCDF DE(SE) OMP/OMR 350 бар, 50 л/мин открытый центр
350 бар, 50 л/мин
открытый центр
Корпус: сталь с цинковым покрытием.
Уплотнение Buna N
Герметичность: незначительные утечки
Стандартная установка: 320 бар.
Индекс "SF" в обозначении указывает на наличие линии разблокировки гидравлического тормоза.
Характеристики перепада давления от расхода
Технические данные:
| КОД | ТИП | соотношение площадей | Макс.расход, л/мин | Макс.давление, бар |
| V0415 | VBCDF 1/2" SE OMP-OMR | 1:4,5 | 50 | 350 |
| V0415/SF | VBCDF 1/2" SE OMP-OMR SF | 1:4,5 | 50 | 350 |
| V0425 | VBCDF 1/2" DE OMP-OMR | 1:4,5 | 50 | 350 |
| V0425/SF | VBCDF 1/2" DE OMP-OMR SF | 1:4,5 | 50 | 350 |

| КОД | ТИП | VI - V2 GAS | C1-C2 mm | Масса. кг |
| V0415 | VBCDF 1/2" SE OMP-OMR | G 1/2" | 09 | 2,686 |
| Y0415/SF | VBCDF 1/2" SE OMP-OMR SF | G 1/2" | 09 | 2,686 |
| V0425 | VBCDF 1/2" DE OMP-OMR | G 1/2" | 09 | 2,708 |
| V0425/SF | VBCDF 1/2" DE OMP-OMR SF | G 1/2" | 09 | 2,708 |
Аналоги других производителей:
| Oleodinamica Marchesini | MTC (Walvoil) | Oleoweb | Luen | Gumec | HBS |
| VBCDF 1/2" SE OMP-OMR | LHV-1-OMP/OMR-1/2-G | ||||
| VBCDF 1/2" SE OMP-OMR SF | LHV-1-OMP/OMR-1/2-G | ||||
| VBCDF 1/2" DE OMP-OMR | LHV-2-OMP-OMR-1/2-G | ||||
| VBCDF 1/2" DE OMP-OMR SF | LHV-2-OMP-OMR-1/2-G |
*- функциональные аналоги, не совпадают присоединительные размеры
производитель
Oleodinamica Marchesini
Если вы хотите купить тормозной клапан фланцевого монтажа на мотор типа OMP/OMR с разблокировкой тормоза и без тип VBCDF DE(SE) OMP/OMR , вы можете:
Позвонить:
Ещё из раздела тормозные гидроклапаны (контрбаланс)
Клапан контрбаланса двойного действия стыковый тип VBCD DE FL CC
320 бар, до 60 л/мин
закрытый центр
Данный клапан позволяет контролировать скорость движения гидропривода с попутной нагрузкой в обоих направлениях. Клапан позволяет сохранить постоянную скорость опускания груза и предотвращает кавитацию. Применяется на автовышках, кранах, и других ...

