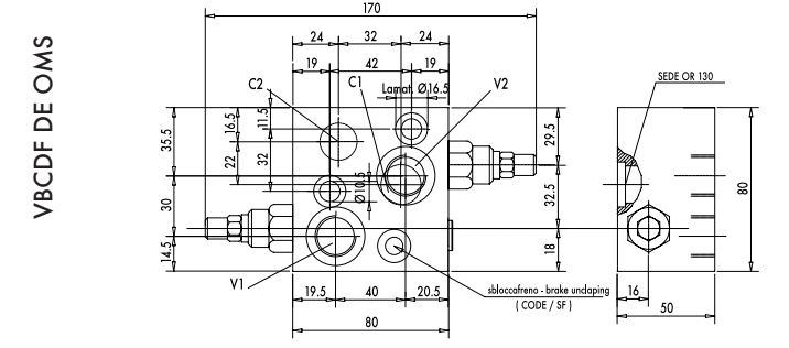
Тормозной клапан фланцевого монтажа на мотор типа OMS с разблокировкой тормоза и без тип VBCDF DE(SE) OMS 350 бар, 50 л/мин открытый центр
350 бар, 50 л/мин
открытый центр
Корпус: сталь с цинковым покрытием.
Уплотнение Buna N
Герметичность: незначительные утечки
Стандартная установка: 320 бар.
Индекс "SF" в обозначении указывает на наличие линии разблокировки гидравлического тормоза.
Характеристики перепада давления от расхода
Технические данные:
| КОД | ТИП | соотношение площадей | Макс.расход, л/мин | Макс.давление, бар |
| V0416 | VBCDF 1/2" SE OMS | 1:4,5 | 50 | 350 |
| V0416/SF | VBCDF 1/2" SE OMS SF | 1:4,5 | 50 | 350 |
| V0426 | VBCDF 1/2" DEOMS | 1:4,5 | 50 | 350 |
| V0426/SF | VBCDF 1/2" DE OMS SF | 1:4,5 | 50 | 350 |

| КОД | ТИП | VI -V2 | C1-C2 | МАССА |
| GAS | mm | Kg | ||
| V0416 | VBCDF 1/2" SE OMS | G 1/2" | 09 | 1 700 |
| V0416/SF | VBCDF 1/2" SE OMS SF | G 1/2" | 09 | 1 700 |
| V0426 | VBCDF 1/2" DE OMS | G 1/2" | 09 | 2 150 |
| V0426/SF | VBCDF 1/2" DE OMS SF | G 1/2" | 09 | 2 150 |
Аналоги других производителей:
| Oleodinamica Marchesini | MTC (Walvoil) | Oleoweb | Luen | Gumec | HBS |
| VBCDF 1/2" SE OMP-OMR | LHV-1-OMS-1/2-G | ||||
| VBCDF 1/2" SE OMP-OMR SF | LHV-2-OMS-1/2-G | ||||
| VBCDF 1/2" DE OMP-OMR | LHV-2-OMS-1/2-G | ||||
| VBCDF 1/2" DE OMP-OMR SF | LHV-2-OMS-1/2-G |
производитель
Oleodinamica Marchesini
Если вас заинтересовала представленная информация или вы не нашли нужный товар или услугу, пожалуйста, позвоните или отправьте запрос на консультацию:
Позвонить:
Ещё из раздела тормозные гидроклапаны (контрбаланс)
Клапан контрбаланса двойного действия стыковый тип VBCD DE FL CC
320 бар, до 60 л/мин
закрытый центр
Данный клапан позволяет контролировать скорость движения гидропривода с попутной нагрузкой в обоих направлениях. Клапан позволяет сохранить постоянную скорость опускания груза и предотвращает кавитацию. Применяется на автовышках, кранах, и других ...

