Тормозной (уравновешивающий) клапан (контрбаланс) VBC
Скачать каталог клапаны VBC (pdf, 0,5Mb)
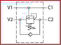
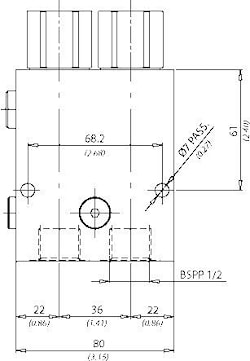
Односторонний тормозной клапан (трубный монтаж) VBCL
| Технические характеристики | ||||||||||||||
| Модель | A | Макс. расход л/мин | Макс. давл., бар | B | C | D | E | F | G | H | L | S | Масса, кг. | |
| VBCL140 | BSPP 1/4 | 30 | 350 | 25 25 | 50 50 | 23 23 | 58 58 | 51 | 81 81 | 66 66 | 95 95 | 6,5 | 0,85 0.85 | 1:4.25 |
| VBCL380 | BSPP3/8 | 40 | ||||||||||||
| VBCL120 | BSPP 1/2 | 60 | 30 | 60 | 21 | 63 | 84 | 67,5 | 100 | 1,25 | ||||
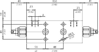
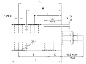
Односторонний тормозной клапан (трубный монтаж) VBCL340
| Технические характеристики | ||||||||||||||
| Модель | A | Макс. расход л/мин | Макс. давл., бар | B | C | D | E | F | G | H | L | S | Масса, кг. | |
| VBCL340 | BSPP3/4 | 120 | 350 | 40 | 70 | 20 | 94 | 72 | 120 | 96 | 140 | 10,5 | 3.0 | 1:6.2 |
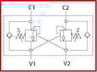
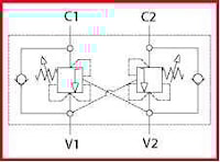
Двухсторонний тормозной клапан (трубный монтаж) VBCD
| Технические характеристики | ||||||||||||||
| Модель | A | Макс. расход л/мин | Макс. давл., бар | B | C | D | E | F | G | H | L | S | Масса, кг. | |
| VBCD140 | BSPP1/4 | 30 | 25 25 | 50 50 | 150 | 23 23 | 104 104 | 51 | 48 | 8 | 6,5 | 1,5 1.5 | ||
| VBCD380 | BSPP3/8 | 40 | 350 | 150 | 51 | 48 | 8 | 6,5 | 1:4.25 | |||||
| VBCD120 | BSPP1/2 | 60 | 30 | 60 | 150 | 21 | 108 | 51 | 48 | 8 | 6,5 | 2 | ||
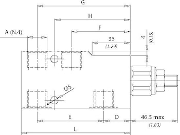
Односторонний тормозной клапан (болтовое крепление) VBCB
Подключение: V1, V2 напорные линии от гидрораспределителя, С1 - свободный поток к цилиндру (мотору), С2 - контролируемый поток к цилиндру (мотору)
| Технические характеристики | |||||
| Модель | A | Макс. расход л/мин | Макс. давл., бар | Масса, кг. | |
| VBCB380 | BSPP3/8 | 40 | 350 | 1,1 | 1:4.25 |
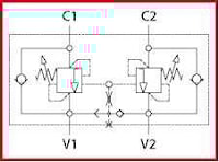
Двухсторонний тормозной клапан с закрытым центром VBCC
| Технические характеристики | |||||||
| Модель | A | Макс. расход л/мин | Макс. давл., бар | F | G | Масса, кг. | |
| VBCC140 | BSPP1/4 | 30 | 23 23 | 104 104 | 1,5 1,5 | ||
| VBCC380 | BSPP3/8 | 40 | 350 | 1:4.25 | |||
| VBCC120 | BSPP1/2 | 60 | 21 | 108 | 2,1 | ||
Двухсторонний тормозной клапан с открытым центром VBCF
| Технические характеристики | |||||
| Модель | A | Макс. расход л/мин | Макс. давл., бар | Масса, кг. | |
| VBCF140 | BSPP1/4 | 30 | 2 2 2 | ||
| VBCF380 | BSPP3/8 | 40 | 350 | 1:4.25 | |
| VBCF120 | BSPP1/2 | 60 | |||
Двухсторонний тормозной клапан с открытым центром VBCG
| Технические характеристики | ||||
| Модель | Макс. расход л/мин | Макс. давл., бар | Масса, кг. | |
| VBCG380 | 40 | 210 | 0,7 | 1:4.25 |
Двухсторонний тормозной клапан с открытым центром VBCE
| Технические характеристики | ||||
| Модель | Макс. расход л/мин | Макс. давл., бар | Масса, кг. | |
| VBCE120 | 60 | 350 | 2,3 | 1:4,25 |
производитель
OLEOWEB
Если вы хотите купить тормозной (уравновешивающий) клапан (контрбаланс) VBC , вы можете:
Позвонить:
Ещё из раздела тормозные гидроклапаны (контрбаланс)
Клапан контрбаланса двойного действия стыковый тип VBCD DE FL CC
320 бар, до 60 л/мин
закрытый центр
Данный клапан позволяет контролировать скорость движения гидропривода с попутной нагрузкой в обоих направлениях. Клапан позволяет сохранить постоянную скорость опускания груза и предотвращает кавитацию. Применяется на автовышках, кранах, и других ...

