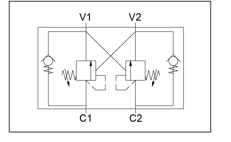
Тормозной клапан двусторонний линейный тип LHV2-S 350 бар, 160 л/мин открытый центр
350 бар, 160 л/мин
открытый центр
Клапаны "типа S" отличаются от стандартных соотношением площадей и расположением портов.

| Параметр | Спецификация |
| Вязкость жидкости | ISO 3448 |
| Фильтрация | ISO 4406 |
| Температура жидкости | -20°C до +90°C |
| Температура окружающей среды | -20°C до +50°C |
| Макс. рабочее давление (Сталь) | 350 бар |
| Макс. рабочее давление (Алюминий) | 275 бар |
| Стандартные уплотнения | NBR 70 Shore A |

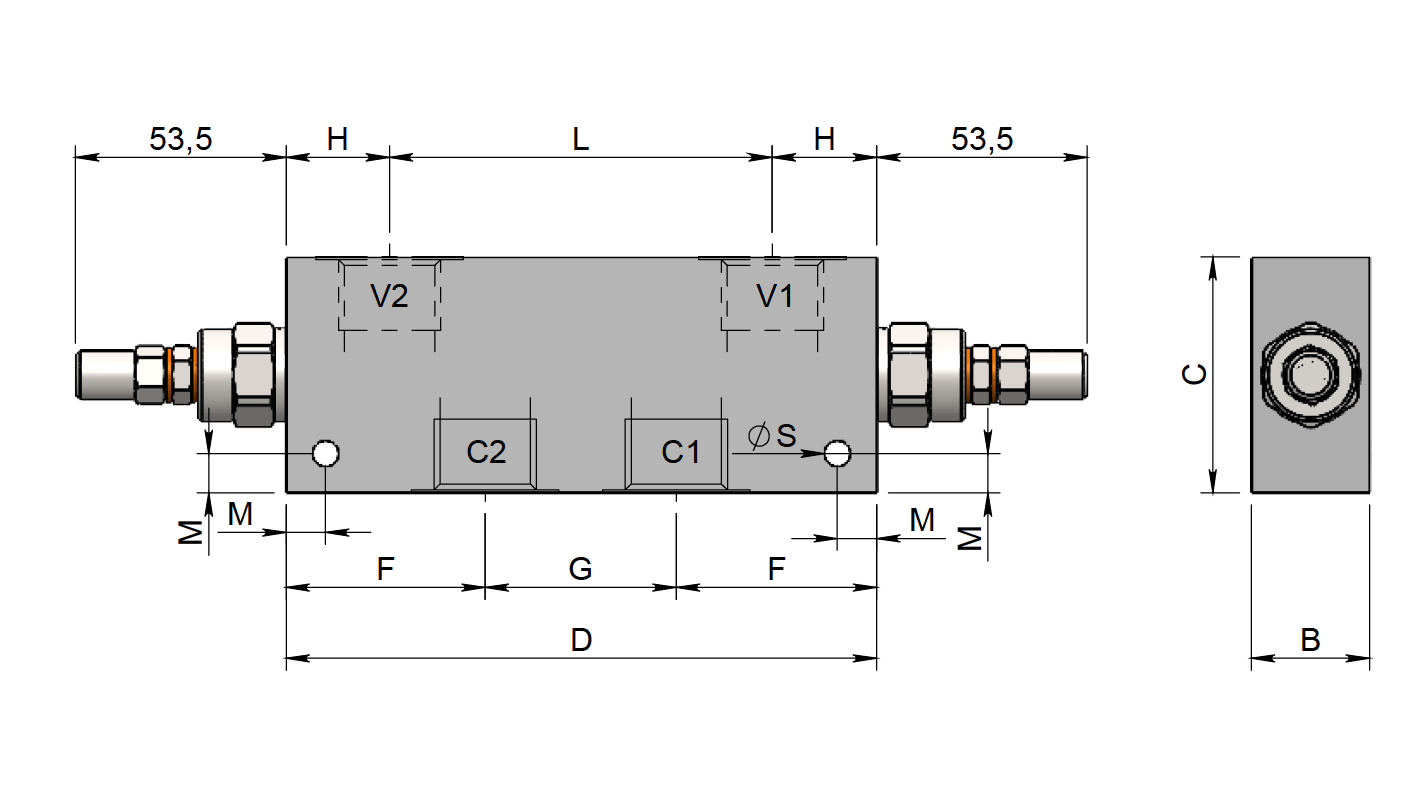
| Код стандарта | Резьба | B | C | D | F | G | H | L | M | OS | Вес (кг) - Сплав | Вес (кг) - Сталь | Макс. поток (л/мин) | Отношение пилота |
|---|---|---|---|---|---|---|---|---|---|---|---|---|---|---|
| LHV2-S 3/8G | 3/8 | 30 | 60 | 150 | 51 | 48 | 26 | 98 | 10 | 6.5 | 1.0 | 2.2 | 40 | 4.25 : 1 |
| LHV2-S 1/2G | 1/2 | 35 | 70 | 150 | 51 | 48 | 26 | 98 | 10 | 6.5 | 1.2 | 2.8 | 60 | 4.25 : 1 |

производитель
Gumec
Если вы хотите купить тормозной клапан двусторонний линейный тип LHV2-S , вы можете:
Позвонить:
Ещё из раздела тормозные гидроклапаны (контрбаланс)
Клапан контрбаланса двойного действия стыковый тип VBCD DE FL CC
320 бар, до 60 л/мин
закрытый центр
Данный клапан позволяет контролировать скорость движения гидропривода с попутной нагрузкой в обоих направлениях. Клапан позволяет сохранить постоянную скорость опускания груза и предотвращает кавитацию. Применяется на автовышках, кранах, и других ...

