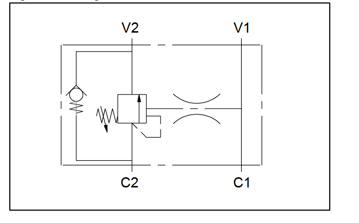
Тормозной клапан одностороннего действия линейный тип LHV-1-PSA 350 бар, 90 л/мин открытый центр
350 бар, 90 л/мин
открытый центр
Клапаны "типа А" отличаются от стандартных соотношением площадей и расположением портов.

| Параметр | Спецификация |
| Вязкость жидкости | ISO 3448 |
| Фильтрация | ISO 4406 |
| Температура жидкости | -20°C до +90°C |
| Температура окружающей среды | -20°C до +50°C |
| Макс. рабочее давление | 350 бар (Сталь) |
| Стандартные уплотнения | NBR 70 Shore A |

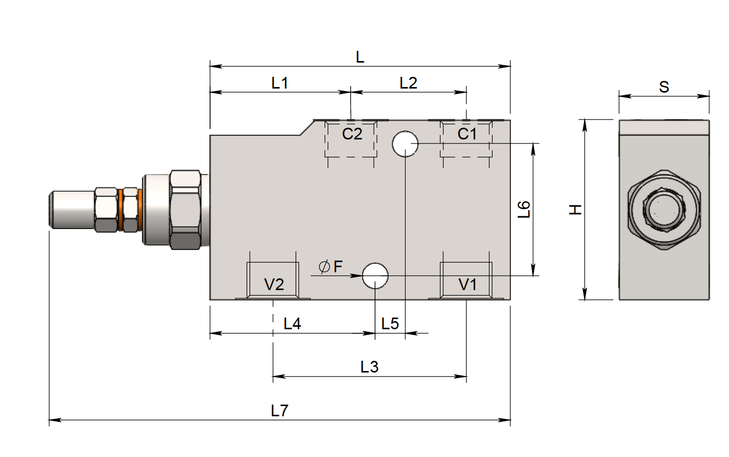
| Код стандарта | Резьба | L | L1 | L2 | L3 | L4 | L5 | L6 | L7 | H | S | 0F | Вес (кг) | Макс. поток (л/мин) | Соотношение пилота |
| LHV-1-PSA -3/8-G | 3/8 | 100 | 50 | 30 | 60 | 55 | 10 | 44 | 153.5 | 60 | 30 | 8.5 | 1.25 | 40 | 4.25 : 1 |
| LHV-1-PSA -1/2-G | 1/2 | 100 | 50 | 36 | 65 | 57.5 | 10 | 44 | 153.5 | 60 | 30 | 8.5 | 1.20 | 60 | 4.25 : 1 |
| LHV-1-PSA -3/4-G | 3/4 | 127 | 62.5 | 46 | 85 | 75 | 10 | 44 | 183 | 80 | 35 | 8.5 | 2.30 | 90 | 6.25 : 1 |

производитель
Gumec
Если вы хотите купить тормозной клапан одностороннего действия линейный тип LHV-1-PSA , вы можете:
Позвонить:

