Клапан контрбаланса двойного действия стыковый тип VBCD DE FL 320 бар, до 60 л/мин открытый центр
Данный клапан позволяет контролировать скорость движения гидропривода с попутной нагрузкой в обоих направлениях.
Клапан позволяет сохранить постоянную скорость опускания груза и предотвращает кавитацию.
Применяется на автовышках, кранах, и других подъемных механизмах, где возникает нагрузка попутная движению гидропривода.
Аналог H3061N103S0300
Корпус: сталь с цинковым покрытием.
Уплотнение Buna N
Герметичность: незначительные утечки
Стандартная установка: 320 бар.
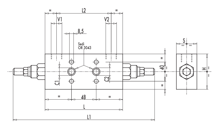
Подключение:
Соедините V1 и V2 c гидрораспределителем, фланец С1 и С2 напрямую к гидроцилиндру (мотору)
| КОД | ТИП | соотношение площадей | расход, л/мин | Макс. давление, бар |
| V0424 | VBCD 3/8" DE/FL | 1:4,5 | 40 | 350 |
| V0434 | VBCD 1/2" DE/FL | 1:4,5 | 60 | 350 |
Перепад давления на клапане в зависимости от расхода.
Размеры:

| КОД | ТИП | VI - V2 | Cl -C2 | L | LI | L2 | H | s | Масса |
| GAS | mm | mm | mm | mm | mm | mm | kg | ||
| V0424 | VBCD 3/8" DE/FL | G 3/8" | 09 | 150 | 248 | no | 60 | 30 | 2,01 |
| V0434 | VBCD 1/2" DE/FL | G 1/2" | 09 | 150 | 248 | no | 60 | 30 | 1,98 |
Стыковая поверхность, размеры

Аналоги других производителей:
| Oleodinamica Marchesini | MTC (Walvoil) | Oleoweb | Luen | Gumec | HBS |
| VBCD 3/8" DE/FL | VODL/N1116/38F2 | VBCF380 | OWC-DE-38-LU-FC2-OIL (001 048 0H0) | LHV-2-FL | A070381.02.00 |
| VBCD 1/2" DE/FL | VODL/N1116/12F2 | VBCF120 | OWC-DE-12-LU-FC2-OIL (001 050 0H0) | LHV-2-FL | A070481.02.00 |
производитель
Oleodinamica Marchesini

