Тормозной клапан VBCD DE NG10 CETOP 5 350 бар, до 80 л/мин
Тормозной клапан VBCD DE NG10 CETOP 5 разработан для эффективного управления гидравлическими системами, обеспечивая надежное торможение и удержание нагрузки в заданных положениях. Этот клапан устанавливается по стандарту CETOP 5 и соответствует размеру NG10, что делает его совместимым с большинством промышленных гидравлических схем. Модель VBCD DE обладает высокой пропускной способностью и точностью регулирования, что способствует повышению безопасности и стабильности работы оборудования. Прочный корпус из высококачественных материалов гарантирует длительный срок службы и устойчивость к механическим воздействиям. Этот клапан идеально подходит для применения в системах, требующих точного контроля и надежного удержания нагрузки.
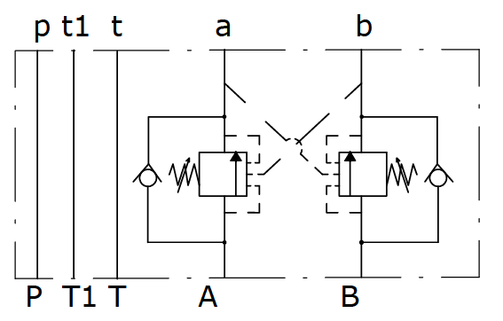
Гидравлическая схема:

Габаритные размеры:

Скачать технические характеристики, размеры (pdf)
Аналоги других производителей:
| Oleodinamica Marchesini | MTC (Walvoil) | Oleoweb | Luen | Gumec | HBS |
| VBCD DE NG10 CETOP | VODL/ML 10-12 | OWC-DE-L10 (001 292 GH0) |
производитель
Oleodinamica Marchesini
Ещё из раздела тормозные гидроклапаны (контрбаланс)

