Короткий гидрозамок двустороннего действия VBPDE 2CEXC с трубными фитингами 12 мм (DIN2353) 350 бар, до 30 л/мин двусторонний
350 бар, до 30 л/мин
двусторонний
Гидрозамок двустороннего действия VBPDE 2 CEXC идеально подходят для монтажа на гидроцилиндре.
Материал корпуса: оцинкованная сталь
Материал компонентов: закаленная сталь
Уплотнения: BUNA N (стандартно)
Тип запирающего элемента: без утечек
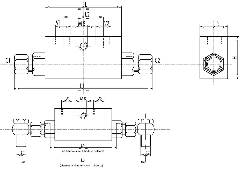
Подключение: Подключите V1 и V2 к напорным линиям, C1 и С2 к полостям цилиндра.
По заказу:
- без уплотнений в управляющей линии
- пружина 1 бар
- пружина 8 бар
Рабочие характеристики при температуре масла 50°С и вязкости 30сСт
Технические данные:
Размеры:

Аналоги других производителей:
| Oleodinamica Marchesini | MTC (Walvoil) | Oleoweb | Luen | Gumec | HBS | VILLA | Bosch Rexroth |
| VBPDE 1/4" L 2 CEXC - 10L | A-VNR-SO-DE-14D-L (003 252 OJO) | ||||||
| VBPDE 1/4" L 2 CEXC | VRDE01A | VRDD140 | A-VNR-SO-DE-14D-L (003 252 OJO) | POC-2-DIN-1/4-G | LVST-DIN 15 | ||
| VBPDE 3/8" L 2 CEXC | VRDE015A | VRDD380 | A-VNR-SO-DE-38D-L (003 256 OJO) | POC-2-DIN-3/8-G | A050353.16.00 | LVST-DIN 20 |
производитель
Oleodinamica Marchesini
Если вы хотите купить короткий гидрозамок двустороннего действия VBPDE 2CEXC с трубными фитингами 12 мм (DIN2353) , вы можете:
Позвонить:

