Насосы шестеренные 2 группа ALP2 250 бар, 4,5 - 35 см3 ЕВРО
250 бар, 4,5 - 35 см3
ЕВРО
Высокоэффективные шестеренные алюминиевые гидронасосы с внешним зацеплением. Основные достоинства данных шестеренных насосов это:
— низкий уровень шума
— высокий КПД
— наднежность и долговечность
— небольшой габарит и вес
— широкая сфера применения (станки, машины дорожные, строительные).
К данным насосам в в наличии дополнительная комплектация:
Прямые фланцевые адаптеры для шестеренных насосов
Универсльные колокола насос-мотор для шестренных насосов
Муфты зубчатые соединительные DK
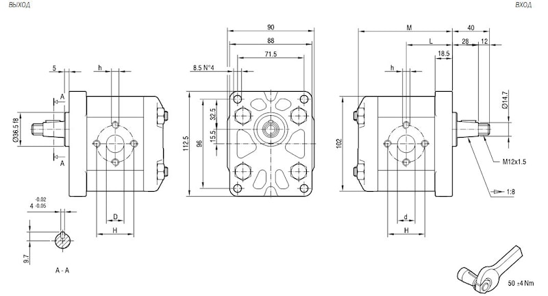
Габаритные размеры:
| тип | РАБОЧИЙ ОБЪЁМ | РАСХОД при1500 об/мин | Максимальное давление | МАКС. СКОРОСТЬ | размеры | |||||||
| cm/3оборот | литр | P1 | P2 | P3 | об/мин | L | M | d | D | h | H | |
| ALP2-D-6 | 4,5 | 6,4 | 250 | 270 | 290 | 4000 | 45,5 | 93,5 | 13 | 13 | M6 | 30 |
| ALP2-D-9 | 6,4 | 9,1 | 250 | 270 | 290 | 4000 | 47 | 96,5 | 13 | 13 | M6 | 30 |
| ALP2-D-10 | 7,0 | 10,0 | 250 | 270 | 290 | 4000 | 47,5 | 97,5 | 13 | 13 | M8 | 40 |
| ALP2-D-12 | 8,3 | 11,8 | 250 | 270 | 290 | 3500 | 48,5 99,5 | 13 | 13 | M8 | 40 | |
| ALP2-D-13 | 9,6 | 13,7 | 250 | 270 | 290 | 3000 | 49,5 | 101,5 | 13 | 13 | M8 | 40 |
| ALP2-D-16 | 11,5 | 16,4 | 230 | 250 | 270 | 4000 | 51 | 104,5 | 19 | 13 | M8 | 40 |
| ALP2-D-20 | 14,1 | 20,1 | 230 | 250 | 270 | 4000 | 53 | 108,5 | 19 | 13 | M8 | 40 |
| ALP2-D-22 | 16,0 | 22,8 | 210 | 225 | 240 | 4000 | 54,5 | 111,5 | 19 | 13 | M8 | 40 |
| ALP2-D-25 | 17,9 | 25,5 | 210 | 225 | 240 | 3600 | 56 | 114,5 | 19 | 13 | M8 | 40 |
| ALP2-D-30 | 21,1 | 30,1 | 180 | 195 | 210 | 3200 | 58,5 | 119,5 | 19 | 19 | M8 | 40 |
| ALP2-D-34 | 23,7 | 33,7 | 180 | 195 | 210 | 3000 | 60,5 | 123,5 | 19 | 19 | M8 | 40 |
| ALP2-D-37 | 25,5 | 36,4 | 170 | 185 | 200 | 2800 | 62 | 126,5 | 19 | 19 | M8 | 40 |
| ALP2-D-40 | 28,2 | 40,1 | 170 | 185 | 200 | 2500 | 64 | 130,5 | 19 | 19 | M8 | 40 |
| ALP2-D-50 | 35,2 | 50,2 | 140 | 155 | 170 | 2500 | 69,5 141,5 | 21 | 19 | M8 | 40 | |
производитель
Marzocchi
Если вы хотите купить насосы шестеренные 2 группа ALP2 , вы можете:
Позвонить:

