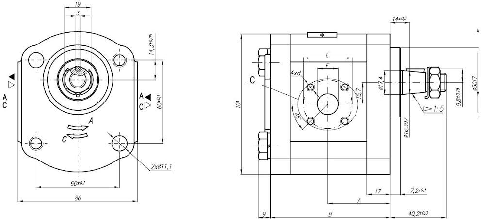
Насосы шестеренные серия X007 с коническим валом 1:5 4-25 см3, 250 бар
4-25 см3, 250 бар


Тип | Объем | Подача | Давление | Max. обороты | Размеры | ||||||||
при 1500 rpm | max. rpm | ном. | n | A | B | Всасывание | Outlet | ||||||
cm3/rev | l/min | l/min | bar | rpm | mm | mm | E | F | d | E | F | d | |
20A(C)4.5X007 | 4,5 | 6,2 | 14,40 | 250 | 3500 | 37.3 | 75.1 | 40 | 15 | M6-6H | 35 | 15 | M6-6H |
20A(C)6.3X007 | 6,3 | 8,7 | 20,16 | 250 | 3500 | 38.6 | 78 | 15 | |||||
20A(C)7X007 | 7,0 | 9,7 | 22,40 | 250 | 3500 | 42.5 | 82.1 | 20 | |||||
20A(C)8.2X007 | 8,2 | 11,3 | 26,24 | 250 | 3500 | 40.6 | 78 | ||||||
20A(C)10X007 | 10,0 | 13,8 | 32,00 | 250 | 3500 | 45 | 87 | ||||||
20A(C)11X007 | 11,0 | 15,2 | 35,20 | 250 | 3500 | 45 | 89.1 | ||||||
20A(C)12X007 | 12,0 | 16,6 | 38,40 | 250 | 3500 | 45 | 90.3 | ||||||
20A(C)14X007 | 14,0 | 19,3 | 44,80 | 250 | 3500 | 45 | 93.4 | ||||||
20A(C)15X007 | 15,0 | 20,7 | 48,00 | 250 | 2500 | 45 | 94.9 | ||||||
20A(C)16X007 | 16,0 | 22,1 | 51,20 | 250 | 2500 | 45 | 96.5 | ||||||
20A(C)19X007 | 19,0 | 26,2 | 60,80 | 200 | 2500 | 45 | 101.5 | ||||||
20A(C)22X007 | 22,0 | 30,4 | 70,40 | 180 | 2000 | 52.5 | 106.5 | ||||||
20A(C)25X007 | 25,0 | 34,5 | 80,00 | 160 | 2000 | 57.2 | 111.4 |
производитель
Hydropack
Если вы хотите купить насосы шестеренные серия X007 с коническим валом 1:5 , вы можете:
Позвонить: