Насосы шестеренные 3 группа ALP3А 250 бар, 20 - 87 см3 SAE B
250 бар, 20 - 87 см3
SAE B
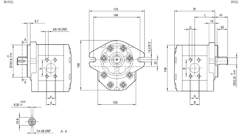
| тип | РАБОЧИЙ ОБЪЁМ | РАСХОД при1500 об/мин | Максимальное давление, бар | МАКСИМАЛЬНАЯ СКОРОСТЬ | Размеры, мм | ||||||||||
| см3 | литр | PI | PC | PP | об/мин | L | M | A | B | C | D | a | b | d | |
| мм | мм | мм | мм | UNC | мм | мм | мм | мм | |||||||
| ALP3A-D-30 | 20 | 29 | 230 | 250 | 270 | 3500 | 65 | 130,5 | 26,19 | 52,37 | 3/8 | 27 | 22,23 | 47,63 | 19 |
| ALP3A-D-33 | 22 | 31 | 230 | 250 | 270 | 3500 | 65,5 | 131,5 | 26,19 | 52,3 | 3/8 | 27 | 22,23 | 47,63 | 9 |
| ALP3A-D-40 | 26 | 37 | 230 | 250 | 270 | 3300 | 67 | 134,5 | 26,19 | 52,37 | 3/8 | 27 | 22,23 | 47,63 | 19 |
| ALP3A-D-50 | 33 | 48 | 230 | 250 | 270 | 3300 | 69,5 | 139,5 | 26,19 | 52,37 | 3/8 | 27 | 22,23 | 47,63 | 19 |
| ALP3A-D-60 | 39 | 56 | 220 | 240 | 260 | 3000 | 71,5 | 143,5 | 26,19 | 52,37 | 3/8 | 27 | 22,23 | 47,63 | 19 |
| ALP3A-D-66 | 44 | 62 | 210 | 230 | 250 | 2800 | 73 | 146,5 | 26,19 | 52,3 | 3/8 | 27 | 22,23 | 47,63 | 9 |
| ALP3A-D-80 | 52 | 74 | 200 | 215 | 230 | 2500 | 76 | 152,5 | 26,19 | 52,37 | 3/8 | 27 | 22,23 | 47,63 | 19 |
| ALP3A-D-94 | 61 | 87 | 190 | 205 | 220 | 2800 | 79 | 158,5 | 30,2 | 58,7 | 7/16 | 33 | 26,19 | 52,37 | 27 |
| ALP3A-D-110 | 71 | 101 | 170 | 185 | 200 | 2500 | 82,5 | 165,5 | 30,2 | 58,7 | 7/16 | 33 | 26,19 | 52,37 | 27 |
| ALP3A-D-120 | 78 | 112 | 160 | 175 | 190 | 2300 | 85 | 170,5 | 30,2 | 58, | 7/16 | 33 | 26,19 | 52,37] | 27 |
| ALP3A-D-135 | 87 | 124 | 140 | 155 | 170 | 2000 | 88 | 176,5 | 30,2 | 58,7 | 7/16 | 33 | 26,19 | 52,37 | 27 |
Если вы хотите купить насосы шестеренные 3 группа ALP3А , вы можете:
Позвонить:

