Насосы шестеренные Caproni исполнения 136 (аналог НШ) 200 бар, 24-50 см3
200 бар, 24-50 см3
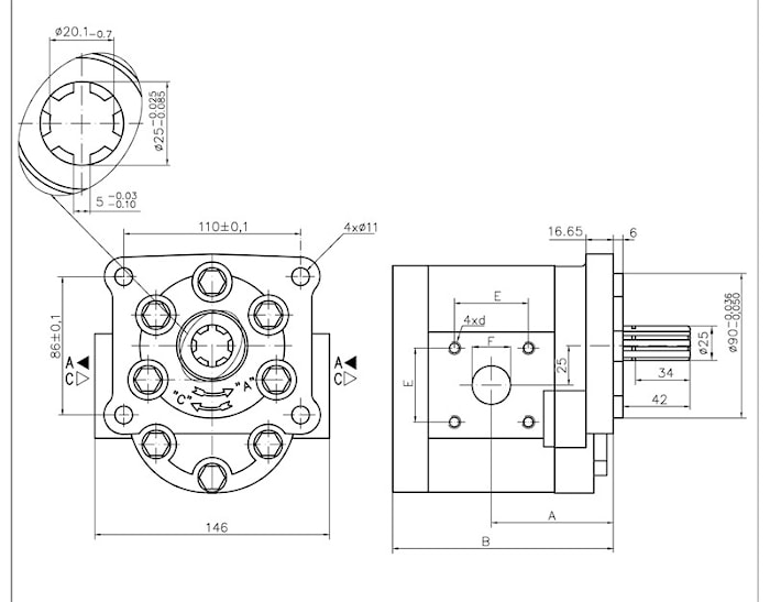
Насосы шестеренные исполнения 136 используются в гидроприводе мобильных машин. По присоединительным размерам соответствуют насосам НШ.
Технические характеристики и размеры:
| Тип | Объем | Расход | Давл. Ном. | Макс. Обороты | Размеры | ||||||||
| при 1500 rpm | при макс. оборотах rpm | A | B | Вход | Выход | ||||||||
| см3/об | l/min | l/min | bar | rpm | mm | mm | E | d | F | E | d | F | |
| 30A(C)25X136 | 24,5 | 34,5 | 69,1 | 200 | 3000 | 72,5 | 130,1 | 46 | M8 | 20 | 46 | M8 | 20 |
| 30A(C)32X136 | 32 | 45,1 | 75,2 | 200 | 3000 | 76,0 | 137,4 | 46 | M8 | 22 | 46 | M8 | 22 |
| 30A(C)32X136H | 32 | 45,1 | 75,2 | 200 | 3000 | 76,0 | 137,9 | 46 | M8 | 22 | 46 | M8 | 22 |
| 30A(C)46X136 | 46 | 65,6 | 100,5 | 190 | 2300 | 72,5 | 141,4 | 54 | M10 | 27 | 54 | M10 | 27 |
| 30A(C)46X136H | 46 | 65,6 | 100,5 | 190 | 2300 | 72,5 | 150,4 | 54 | M10 | 27 | 54 | M10 | 27 |
| 30A(C)50X136 | 50 | 71,3 | 99,8 | 175 | 2100 | 72,5 | 145,0 | 54 | M10 | 27 | 54 | M10 | 27 |
| 30A(C)50X136H | 50 | 71,3 | 99,8 | 175 | 2100 | 72,5 | 154,0 | 54 | M10 | 27 | 54 | M10 | 27 |

производитель
Caproni
Если вы хотите купить насосы шестеренные Caproni исполнения 136 (аналог НШ) , вы можете:
Позвонить:

