Насосы шестеренные серии X104 4.5-25 см3 250 бар
4.5-25 см3 250 бар
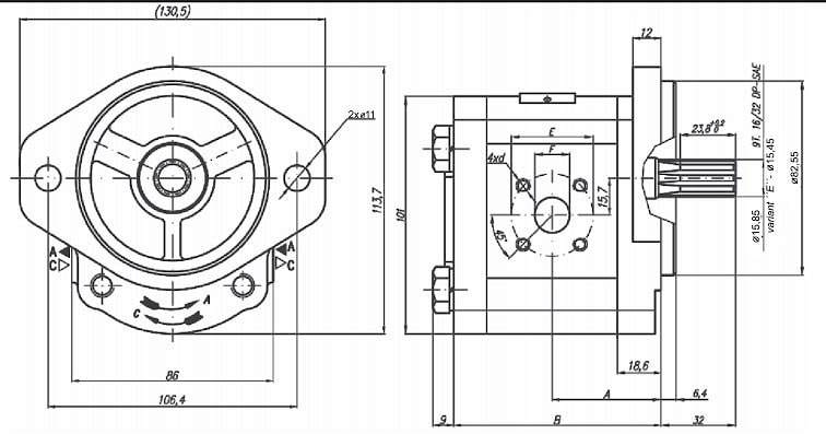
Насосы шестеренные серии X104 с фланцем SAE A, шлицевым валом. Размеры и техданные:
| Код | Объем рабочий | Расход | Номин. давл. | Макс. обороты | Размеры | ||||||||
| при 1500 rpm | при макс. об. | Pnom | A | B | Всас. | Нагнетание | |||||||
| cm3 / rev | l/min | l/min | bar | rpm | mm | mm | M | G | G1 | M | G | G1 | |
| 20A(C)4,5X104 | 4.5 | 6,14 | 14,33 | 250 | 3500 | 42 | 79,6 | 40 | 15 | М6-6H | 35 | 15 | М6-6H |
| 20A(C)6,3X104 | 6,3 | 8,69 | 20,29 | 250 | 3500 | 43,6 | 82,6 | ||||||
| 20A(C)8,2X104 | 8,2 | 11,32 | 26,40 | 250 | 3500 | 45 | 85,6 | 20 | |||||
| 20A(C)10X104 | 10 | 13,95 | 32,55 | 250 | 3500 | 46,6 | 88,7 | ||||||
| 20A(C)11X104 | 11,3 | 15,76 | 36,78 | 250 | 3500 | 47,6 | 90,7 | ||||||
| 20A(C)12X104 | 12 | 16,92 | 39,48 | 250 | 3500 | 48,2 | 91,9 | ||||||
| 20A(C)14X104 | 14 | 19,95 | 46,55 | 250 | 3500 | 49,6 | 95 | ||||||
| 20A(C)15X104 | 15 | 21,60 | 36,00 | 250 | 2500 | 50,6 | 96,5 | ||||||
| 20A(C)16X104 | 16 | 23,04 | 38,40 | 250 | 2500 | 51,6 | 98,2 | ||||||
| 20A(C)19X104 | 19 | 27,36 | 45,60 | 200 | 2500 | 53,6 | 103,1 | ||||||
| 20A(C)22X104 | 22 | 31,68 | 42,24 | 180 | 2000 | 56,6 | 108,1 | ||||||
| 20A(C)25X104 | 25 | 36,00 | 48,00 | 160 | 2000 | 58,8 | 113 | ||||||
Таблица замены Rexroth
| Объем см3 | Модель насоса Rexroth | Модель насоса Hydropack |
| 4 | 0 510 225 314 | 20A4,5X104 |
| 5,5 | 0 510 325 313 | 20A6,3X104 |
| 8 | 0 510 425 314 | 20A8,2X104 |
| 11 | 0 510 525 324 | 20A11X104 |
| 14 | 0 510 525 325 | 20A14X104 |
| 16 | 0 510 625 329 | 20A16X104 |
| 19 | 0 510 625 330 | 20A19X104 |
| 22,5 | 0 510 725 361 | 20A22X104 |
| 4 | 0 510 225 013 | 20C4,5X104 |
| 5,5 | 0 510 325 013 | 20C6,3X104 |
| 8 | 0 510 425 020 | 20C8,2X104 |
| 11 | 0 510 525 019 | 20C11X104 |
| 14 | 0 510 525 020 | 20C14X104 |
| 16 | 0 510 625 028 | 20C16X104 |
| 19 | 0 510 625 029 | 20C19X104 |
| 22,5 | 0 510 725 077 | 20C22X104 |
производитель
Hydropack
Если вы хотите купить насосы шестеренные серии X104 , вы можете:
Позвонить:

