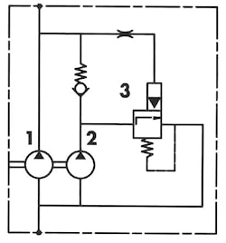
Сдвоенный шестеренный насос со встроенным разгрузочным клапаном X815R 250/30 бар группа 20
250/30 бар
группа 20


1.Ступень высокого давления
2.Ступень низкого давления
3.Разгрузочный клапан
Состоит из двух ступеней. Первая ступень с большей подачей, вторая с меньшей.
Принцип работы. При холостом ходе исполнительного механизма, пока давление в системе не выше 70 бар, происходит подача от двух секций одновременно, общий поток равен сумме подач.
При достижении давления настройки разгрузочного клапана (заводская настройка 70 бар) первая секция разгружается на слив, в систему происходит подача только от второй секции насоса, давление определяется настройкой предохранительного клапана гидравлической системы.
Таким образом, обеспечивается быстрый подвод и высокое давление при минимальной мощности привода.
Например, насос 22С3,5/11Х815R имеет подачи 5,25 и 16,5 литров/мин.
С мотором мощностью 2,2 кВт он обеспечивает подачу 21,75 л/мин при давлении до 30-ти бар и 5,25 л/мин с давлением до 250 бар.
Код | Первая ступень | Вторая ступень | Первая ступень | Вторая ступень | Обороты, макс. | ||
Рабочий объем, см3 | Подача л/мин (1500 об/мин) | Рабочий объем, см3 | Подача л/мин (1500 об/мин) | Давление макс., бар | |||
22C5/12X815R | 5 | 7.5 | 12 | 18 | 250 | 30 | 3000 |
22С3.5/11X815R | 3.5 | 5.25 | 11 | 16,5 | 250 | 30 | 3000 |
22C3.5/6.5X815R | 3.5 | 5.25 | 6.5 | 9.75 | 250 | 30 | 3000 |
22C4.5/7X815R | 4.5 | 6.75 | 7 | 10.5 | 250 | 30 | 3000 |
22С10/18X815R | 10 | 15 | 18 | 27 | 250 | 30 | 3000 |

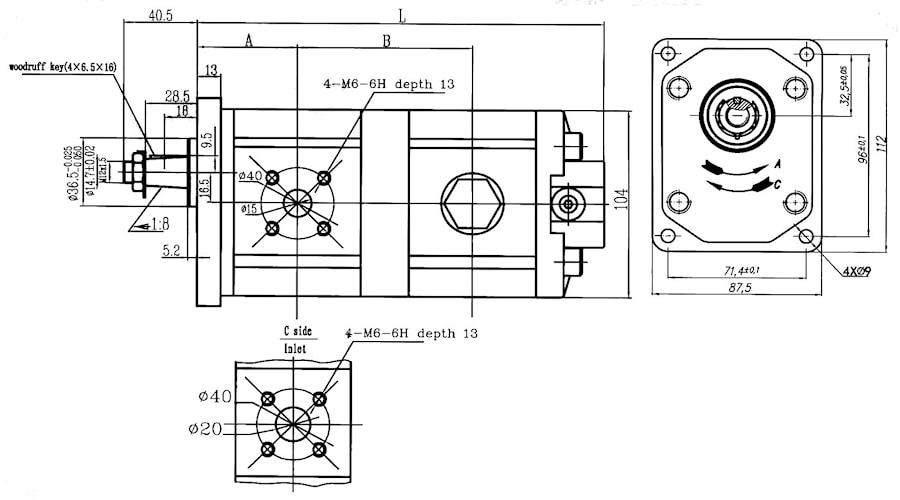
Код | Размеры | ||
A | B | L | |
22C5/12X815R | 43 | 64,5 | 174 |
22С3.5/11X815R | 42,1 | 63 | 171 |
22C3.5/6.5X815R | 42,1 | 59 | 163 |
22C4.5/7X815R | 42,6 | 60 | 165 |
производитель
Hidros
Если вы хотите купить сдвоенный шестеренный насос со встроенным разгрузочным клапаном X815R , вы можете:
Позвонить: