Сдвоенные шестеренные насосы 2 группа X067/X066 до 250 бар, 4,5-25 см3
до 250 бар, 4,5-25 см3
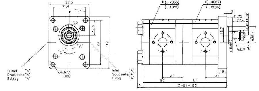
Сдвоенные шестеренные насосы 2 группа X066/X067 конический вал, европейский фланец. Размеры:
| первый насос | второй насос | |||||
| Тип | А1 | В1 | Тип | А2 | В2 | |
| 20А(С)4,5X067 | 42,5 | 87,2 | 20А(С)4.5Х066 | 40,5 | 78 | |
| 20А(С)6,ЗХ067 | 44 | 90,2 | 20А(С)б, 3X066 | 42 | 81 | |
| 20А(С)8,2Х067 | 45,5 | 93,1 | 20А(С)8,2X066 | 43,5 | 83.9 | |
| 20A(C)10X067 | 47 | 96,2 | 20А(С}10Х066 | 45 | 87 | |
| 20А(С)11X067 | 48 | 98,2 | 20А(С)11X066 | 46 | 89.1 | |
| 20А(С)12X067 | 48.6 | 99,5 | 20А(С)12Х06б | 46.6 | 90.3 | |
| 20А(С)14Х067 | 50 | 102,6 | 20А(С)14X066 | 48 | 93.4 | |
| 20А(С)15X067 | 51 | 104,1 | 20А(С)15X066 | 49 | 95 | |
| 20А(С)16X067 | 52 | 105,8 | 20А(С)16X066 | 50 | 96.6 | |
| 20А(С)19X067 | 54 | 110,7 | 20А(С)19X066 | 52 | 101,5 | |
| 20А(С)22Х067 | 57 | 115,7 | 20А(С)22Х066 | 55 | 106,5 | |
| 20А(С)25Х067 | 59.2 | 120,6 | 20А(С)25Х066 | 57,2 | 112,1 | |
производитель
Caproni
Если вы хотите купить сдвоенные шестеренные насосы 2 группа X067/X066 , вы можете:
Позвонить:

