Насосы шестеренные (группа 3) X0163H 250 бар, 20-60 см3
250 бар, 20-60 см3
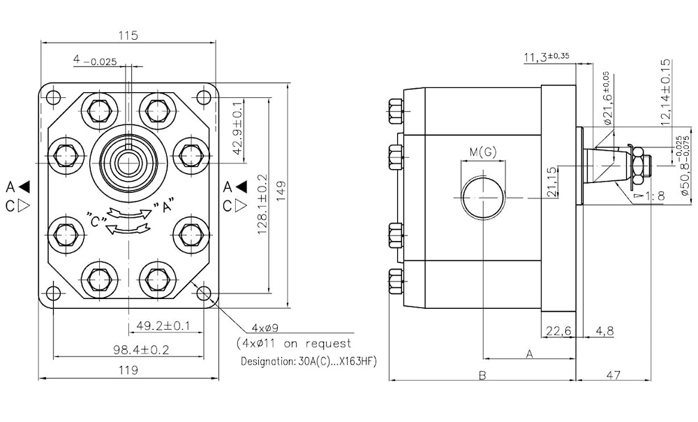
Насосы шестеренный группа 3 Европейский фланец, конический вал, резьбовое присоединение трубопроводов. | Тип | Объем | Расход | Давленеие | макс. обороты | Размеры | ||||||||
| при 1500 об/мин | при макс. оборотах | ном. | r | A | B | всасывание | нагнетание | ||||||
| cm3/rev | l/min | l/min | bar | rpm | mm | mm | M | G | G3 | M | G | G. | |
| 30A(C)20X163H | 20 | 28,2 | 56,4 | 250 | 3000 | 56,1 | 116,7 | M27x1,5 | G3/4 | G3/4 | M27x1,5 | G3/4 | G1/2 |
| 30A(C)22,2X163H | 22,5 | 31,7 | 63,5 | 250 | 3000 | 57,6 | 119,7 | ||||||
| 30A(C)25X163H | 25 | 35,3 | 70,5 | 250 | 3000 | 58,3 | 121,1 | ||||||
| 30A(C)28X163H | 28 | 39,5 | 79,0 | 250 | 3000 | 60,2 | 124,7 | ||||||
| 30A(C)32X163 | 32 | 45,1 | 75,2 | 250 | 2500 | 62,0 | 128,3 | M33x1,5 | G1 | ||||
| 30A(C)32X163H | 32 | 45,1 | 90,2 | 250 | 3000 | 66,5 | 137,3 | ||||||
| 30A(C)36X163 | 36 | 50,8 | 84,6 | 250 | 2500 | 63,5 | 131,4 | G1 | G1/2 | ||||
| 30A(C)36X163H | 36 | 51,3 | 95,8 | 250 | 2800 | 68,0 | 140,5 | ||||||
| 30A(C)42X163 | 42 | 59,9 | 91,8 | 230 | 2300 | 66,3 | 137,0 | ||||||
| 30A(C)42X163H | 42 | 59,9 | 99,8 | 230 | 2500 | 70,8 | 146,1 | ||||||
| 30A(C)46X163H | 46 | 65,6 | 100,5 | 230 | 2300 | 72,7 | 149,8 | ||||||
| 30A(C)50X163H | 50 | 71,3 | 99,8 | 200 | 2100 | 74,5 | 153,4 | ||||||
| 30A(C)55X163H | 55 | 78,4 | 91,4 | 200 | 1750 | 76,7 | 157,9 | ||||||
| 30A(C)60X163H | 60 | 85,5 | 99,8 | 180 | 1750 | 78,7 | 162,4 | ||||||

производитель
Hydro-pack
Если вы хотите купить насосы шестеренные (группа 3) X0163H , вы можете:
Позвонить:

