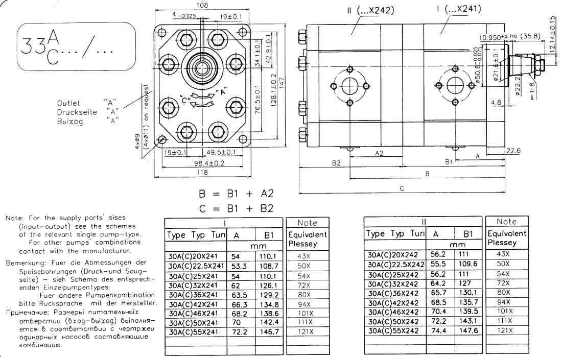
Сдвоенные шестеренные насосы 3 группа X239/X240, X241/X242 до 250 бар, 20-55 см3
до 250 бар, 20-55 см3
конический вал, европейский фланец. Размеры:
| I | II | |||||
| ТИП | A | B1 | ТИП | A | B1 | |
| mm | mm | |||||
| 30A(C)20X239 | 54 | 110,1 | 30A(C)20X240 | 56,2 | 111 | |
| 30A(C)22.5X239 | 53,3 | 108,7 | 30A(C)22.5X240 | 55,5 | 109,6 | |
| 30A(C)25X239 | 54 | 110,1 | 30A(C)25X240 | 56,2 | 111 | |
| 30A(C)32X239 | 62 | 126,1 | 30A(C)32X240 | 64,2 | 127 | |
| 30A(C)36X239 | 63,5 | 129,2 | 30A(C)36X240 | 65,7 | 130,1 | |
| 30A(C)42X239 | 66,3 | 134,8 | 30A(C)42X240 | 68,5 | 135,7 | |
| 30A(C)46X239 | 68.2 | 138.6 | 30A(C)46X240 | 70,4 | 139,5 | |
| 30A(C)50X239 | 70 | 142.4 | 30A(C)50X240 | 72,2 | 143,1 | |
| 30A(C)55X239 | 72,2 | 146,7 | 30A(C)55X240 | 74,4 | 147,6 | |

производитель
Caproni
Если вы хотите купить сдвоенные шестеренные насосы 3 группа X239/X240, X241/X242 , вы можете:
Позвонить:

