Насосы шестеренные серии X086 с коническим валом 1:5 4.5-25 см3 250 бар
4.5-25 см3 250 бар
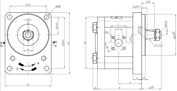
Размеры и технические данные:

| Тип | Объем | Расход | Давление | Макс. обороты | Размеры | ||||||||
| @ 1500 rpm | макс. rpm | Pnom | n | A | B | Всасывание | Нагнетание | ||||||
| cm3/rev | l/min | l/min | bar | rpm | mm | mm | E | F | d | E | F | d | |
| 20A(C)4.5X086 | 4,5 | 6,14 | 14.33 | 250 | 3500 | 39.8 | 78 | 40 | M6-6H | 35 | 15 | M6-6H | |
| 15 | |||||||||||||
| 20A(C)6.3X086 | 6,3 | 8,69 | 20.29 | 250 | 3500 | 41 | 81 | ||||||
| 20A(C)8.2X086 | 8,2 | 11,32 | 43216 | 250 | 3500 | 43.1 | 83.9 | 20 | |||||
| 20A(C)10X086 | 10 | 13.95 | 32.55 | 250 | 3500 | 47.5 | 87 | ||||||
| 20A(C)11X086 | 11 | 15.76 | 36.78 | 250 | 3500 | 47.5 | 89 | ||||||
| 20A(C)12X086 | 12 | 16.92 | 39.48 | 250 | 3500 | 47.5 | 90.3 | ||||||
| 20A(C)14X086 | 14 | 19.95 | 46.55 | 250 | 3500 | 47.5 | 93.4 | ||||||
| 20A(C)15X086 | 15 | 19 | 36 | 250 | 2500 | 47.5 | 95 | ||||||
| 20A(C)16X086 | 16 | 21 | 38.4 | 250 | 2500 | 47.5 | 96.5 | ||||||
| 20A(C)19X086 | 19 | 27.36 | 45.6 | 200 | 2500 | 47.5 | 101.5 | ||||||
| 20A(C)22X086 | 22 | 31.68 | 42.24 | 180 | 2000 | 55 | 106.5 | ||||||
| 20A(C)25X086 | 25 | 36 | 48 | 160 | 2000 | 57.2 | 112.4 | ||||||
аналоги: AZPF-11-004-CB20MB, AZPF-11-006-CB20MB, AZPF-11-008-CB20MB, AZPF-11-011-CB20MB, AZPF-11-014-CB20MB, AZPF-11-014-CB20MB, AZPF-11-016-CB20MB, AZPF-11-019-CB20MB, AZPF-11-020-CB20MB, AZPF-11-022-CB20MB
производитель
Hydropack
Если вы хотите купить насосы шестеренные серии X086 с коническим валом 1:5 , вы можете:
Позвонить:

