Универсльные колокола насос-мотор для шестренных насосов до 18 кВт
до 18 кВт
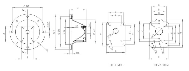
Универсальные колокола насос-мотор серии "К" применяются для соединения шестеренных насосов групп 1,2,3,4 европейского стандарта и SAE с фланцами асинхронных двигателей мощностью до 18 кВт.Материал - алюминий.

| Код | P | Тип | H | H1 | H2 | N | D | D1 | D2 | D3 | В | B1 | E | E1 | С | m | M |
| 0K160E80 | 160 | - | 80 | 10 | 7 | 110 | 25.5 | 130 | 9 | 110 | 52.5 | 72 | 88 | 112 | - | 6 | 8 |
| 1K160E80 | 160 | - | 80 | 10 | 7 | 110 | 36.7 | 130 | 9 | 110 | 71.42 | 96.18 | 88 | 112 | - | 6 | 8 |
| 0K 200E90 | 200 | - | 90 | 15 | 7 | 130 | 25.5 | 165 | 11 | 135 | 52.5 | 88 | 112 | - | 6 | 10 | |
| 1К 200Е90 | 200 | - | 90 | 15 | 7 | 130 | 36.7 | 165 | 11 | 135 | 71.42 | 96.18 | 88 | 112 | - | 6 | 10 |
| 0K200E100 | 200 | - | 100 | 15 | 7 | 130 | 25.5 | 165 | 11 | 135 | 52.5 | 72 | 88 | 112 | - | 6 | 10 |
| 1K200E100 | 200 | - | 100 | 15 | 7 | 130 | 36.7 | 165 | 11 | 135 | 71.42 | 96.18 | 88 | 112 | - | 6 | 10 |
| 0K250E115 | 250 | - | 115 | 17 | 7 | 180 | 25.5 | 215 | 14 | 184 | 52.5 | 72 | 88 | 112 | - | 6 | 12 |
| 1K250E115 | 250 | - | 115 | 17 | 7 | 180 | 36.7 | 215 | 14 | 184 | 71.42 | 96.18 | 88 | 112 | - | 6 | 12 |
| 1K3001E134 | 300 | 2 | 134 | 20 | 7 | 230 | 36.7 | 265 | 14 | 234 | 71.42 | 96.18 | 117 | 162 | - | 6 | 12 |
| 2K3002E134 | 300 | 2 | 134 | 20 | 7 | 230 | 50.8 | 265 | 14 | 234 | 98.56 | 128.02 | 117 | 162 | - | 8 | 12 |
| KV3003E134 | 300 | 2 | 134 | 20 | 7 | 230 | 80.5 | 265 | 14 | 234 | - | - | 117 | 162 | 106.2 | 10 | 12 |
| KV3004E134 | 300 | 2 | 134 | 20 | 7 | 230 | 82.5 | 265 | 14 | 234 | - | - | 117 | 162 | 106.4 | 10 | 12 |
| 1K3501E171 | 350 | 2 | 171 | 25 | 7 | 250 | 36.7 | 300 | 18 | 260 | 71.42 | 96.18 | 137 | 200 | - | 6 | 16 |
| 2K3502E171 | 350 | 2 | 171 | 25 | 7 | 250 | 50.8 | 300 | 18 | 260 | 98.56 | 128.02 | 137 | 200 | - | 8 | 16 |
| 3К350ЭЕ171 | 350 | 2 | 171 | 25 | 7 | 250 | 60.5 | 300 | 18 | 260 | 105.1 | 153.37 | 137 | 200 | - | 8 | 16 |
| KV3504E171 | 350 | 2 | 171 | 25 | 7 | 250 | 80.5 | 300 | 18 | 260 | - | - | 137 | 200 | 106.2 | 10 | 16 |
| KV3505E171 | 350 | 2 | 171 | 25 | 7 | 250 | 82.5 | 300 | 18 | 260 | - | - | - | - | 10 | 16 | |
| KV3506E171 | 350 | 2 | 171 | 25 | 7 | 250 | 101.8 | 300 | 18 | 260 | - | - | 137 | 200 | 145.9 | 10 | 16 |
| KV3S01E191 | 350 | 2 | 191 | 25 | 7 | 250 | 80.5 | 300 | 18 | 260 | - | - | 137 | 220 | 106.2 | 10 | 16 |
| KV3502E191 | 350 | 2 | 191 | 25 | 7 | 250 | 82.5 | 300 | 18 | 260 | - | - | 137 | 220 | 106.4 | 10 | 16 |
| KV3503E191 | 350 | 2 | 191 | 25 | 7 | 250 | 101.8 | 300 | 18 | 260 | - | - | 137 | 220 | 145.9 | 12 | 16 |
| KV3504E191 | 350 | 2 | 191 | 25 | 7 | 250 | 127 | 300 | 18 | 260 | - | - | 137 | 220 | 180.85 | 16 | 16 |
| KR3501E191 | 350 | 2 | 191 | 25 | 7 | 250 | 80/100 | 300 | 18 | 260 | - | - | 137 | 137 | - | - | 16 |
Если вы хотите купить универсльные колокола насос-мотор для шестренных насосов , вы можете:
Позвонить:

