Регулятор потока двулинейный тип FRM, стыковый монтаж Ду 5, 10, 16, 315 бар
Ду 5, 10, 16, 315 бар
Регулятор потока двухлинейный тип FRM5, FRM10, FRM16 предназначен для регулирования потока рабочей жидкости в системах гидропривода.Предназначен для стыкового монтажа.
Структура условного обозначения:

Технические характеристики:
| Размер | 5 | 5 | 5 | 5 | 5 | 5 | 5 | 10 | 10 | 10 | 10 | 16 | 16 | 16 |
| Расход макс, л/мин | 0,2 | 0,6 | 1,2 | 3 | 6 | 10 | 15 | 10 | 16 | 25 | 50 | 60 | 100 | 160 |
| Перепад давления, бар | 0,5 | 0,5 | 0,6 | 0,9 | 1,8 | 3,6 | 6,7 | 2 | 2,5 | 3,5 | 6 | 2,8 | 4,3 | 7,3 |
| Рабочее давление, бар | 210 | 210 | 210 | 210 | 210 | 210 | 210 | 315 | 315 | 315 | 315 | 315 | 315 | 315 |
| Потеря давления мин., бар | 3-5 | 3-5 | 3-5 | 3-5 | 3-5 | 3-5 | 3-5 | 3-7 | 3-7 | 3-7 | 3-7 | 5-12 | 5-12 | 5-12 |
Расходная характеристика регулятора типа FRM5:

Расходная характеристика регулятора типа FRM10:

Расходная характеристика регулятора типа FRM16:

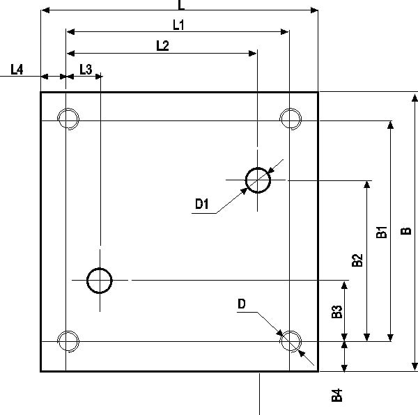
Размеры регулятора расхода типа FRM:

| В | В1 | В2 | ВЗ | В4 | L | L1 | L2 | L3 | L4 | D | D1 | |
| B2FRM5 | 60 | 48 | 35 | 13 | 6 | 60 | 48 | 41 | 7 | 6 | 4-М5 | 2-⌀5 |
| B2FRM10 | 101,5 | 82,5 | 71,6 | 30,1 | 95 | 95 | 76 | 55,1 | 9,6 | 8,5 | 4-М8 | 2-⌀10 |
| B2FRM16 | 123,5 | 101,5 | 90,5 | 15 | 11 | 123,5 | 101,5 | 75 | 20,5 | 11 | 4-М10 | 2-⌀16 |
производитель
GPA
Если вас заинтересовала представленная информация или вы не нашли нужный товар или услугу, пожалуйста, позвоните или отправьте запрос на консультацию:
Позвонить:

