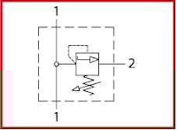
Предохранитеные клапаны типа VMDR (клапаны сброса давления)
Когда клапан сброса давления находится в закрытом положении, его золотник плотно прижат к седлу и на него воздействует сила от рабочего давления в гидросистеме, которая стремится открыть клапан и сила от регулируемой пружины с заданным параметром сопротивления, которая препятствует открытию. Когда давление в гидросистеме превышает рабочее, происходит уменьшение силы прижатия золотника к седлу.Дальнейшее увеличение давления в рабочей системе приводит к открытию запорного механизма. При этом происходит сброс рабочей среды и, собственно, излишков давления через предохранительный клапан.
При понижении давления в гидросистеме до равной рабочей, вызванной сбросом среды, золотник под действием усилия пружины возвращается назад в седло, т.е. клапан вновь принимает закрытое положение.
См. также
Клапаны предохранительные ввертные без плит.
| Вязкость масла | 10-500 мм2/с |
| Требование к чистоте масла | SAE класс 4 и выше |
| Температура рабочей жидкости | от - 20 °С до + 80 °С |
| Температура окружающей среды | от - 20 °С до + 50 °С |
| Максимальное давление | 30-35 МПа (300-350 бар) |
| Масса | 0,42-1,72 кг |
Скачать технические характеристики, размеры клапанов VMDR
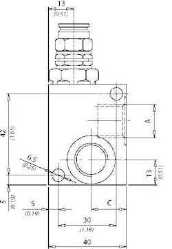
Предохранительный клапан VMDR1


| Технические характеристики | ||||||
| Модель | A | Макс. расход л/мин | Макс. давл., бар | B | C | Масса, кг. |
| VMDR1140 | BSPP1/4 | 20 | 350 | 17 | 20 | 0,45 |
| VMDR1380 | BSPP3/8 | 20 | 350 | 19 | 18 | 0,45 |
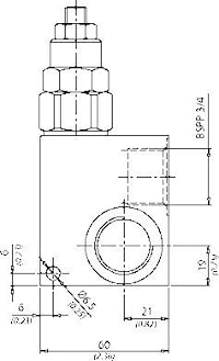
Предохранительный клапан VMDR10


| Технические характеристики | ||||||
| Модель | A | Макс. расход, л/мин | Макс. давл., бар | B | C | Масса, кг. |
| VMDR10140 | BSPP1/4 | 20 | 350 | 17 | 20 | 0,5 |
| VMDR10380 | BSPP3/8 | 20 | 350 | 19 | 18 | 0,5 |
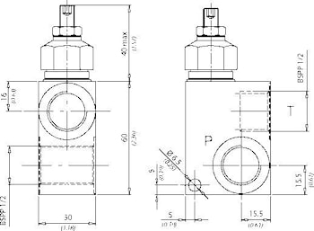
Предохранительный клапан VMDR40


| Технические характеристики | |||
| Модель | Макс. расход, л/мин | Макс. давл., бар | Масса, кг. |
| VMDR40380 | 40 | 300 | 0,5 |
| VMDR40120 | 40 | 300 | 0,53 |
Предохранительный клапан VMDR90


| Технические характеристики | |||
| Модель | Макс. расход, л/мин | Макс. давл., бар | Масса, кг. |
| VMDR90120 | 80 | 350 | 0,67 |
| VMDR90340 | 80 | 350 | 1 |
Предохранительный клапан VMDR120


| Технические характеристики | |||
| Модель | Макс. расход, л/мин | Макс. давл., бар | Масса, кг. |
| VMDR120340 | 120 | 350 | 1,1 |
| VMDR120100 | 120 | 350 | 1,72 |
производитель
OLEOWEB
Если вы хотите купить предохранитеные клапаны типа VMDR (клапаны сброса давления) , вы можете:
Позвонить:

