Клапан давления "высокое-низкое" тип VA 350 бар, до 120 л/мин 3/8", 1/2", 3/4"
350 бар, до 120 л/мин
3/8", 1/2", 3/4"
Клапан давления "высокое-низкое" тип VA применяется в схемах с двухпоточными насосами. Позволяет реализовать схему для быстрого подвода и создания высокого давления не увеличивая мощность мотора.
При холостом ходе клапан подает на выход поток от двух насосов, затем, при достижении давления настройки, поток от насоса низкого давления переключается на слив и на выходе остается высокое давление и малая подача.
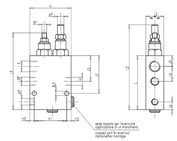
АР - вход высокого давления
ВР - вход насоса низкого давления
U - выход к потребителю
М - манометр
| Код | Тип | Расход макс, л/мин | Давление, бар | Масса | ||
| AP | BP | T | ||||
| V0512 | VABP 3/8" | 15 | 30 | 40 | 350 | 1,748 |
| V0513 | VABP 1/2" | 25 | 45 | 65 | 350 | 2,342 |
| V0514 | VABP 3/4" | 30 | 80 | 100 | 350 | 3,970 |
Рабочая диаграмма
Размеры

| Код | Тип | AP | BP | U | T | L | L1 | L2 | L3 | L4 | L5 | L6 | L7 | H1 | H2 | H3 | H | S |
| GAS | GAS | GAS | GAS | mm | mm | mm | mm | mm | mm | mm | mm | mm | mm | mm | mm | mm | ||
| V0512 | VABP 3/8" | G¼" G3/8" G3/8" G½" 100 | 142 | 155 | 50 | 30 | 20 | 13 | 69 | 65 | 8,5 | 6,5 | 80 | 30 | ||||
| V0513 | VABP ½" | G3/8" G½" G½" G¾" 105 | 147 | 160 | 54 | 36 | 18 | 15 | 73 | 65 | 17 | 8 | 90 | 35 | ||||
| V0514 | VABP ¾" | G½" G¾" G¾" G1" 140 | 187 | 212 | 52,5 | 42,5 | 20 | 20 | 95 | 65 | 27 | 8 | 100 | 40 | ||||
Настройки по давлению
| BP (bar) | AP (bar) | |
| VABP ⅜" | 20 – 80 | 50 – 350 |
| VABP ½" | 20 – 80 | 50 – 350 |
| VABP ¾" | 20 – 80 | 50 – 330 |
Аналоги других производителей:
| Oleodinamica Marchesini | MTC (Walvoil) | Oleoweb | Luen | Gumec | HBS | VILLA | Bosch Rexroth |
| VABP 3/8" | VEP 38 | 19A00A003004X | B900412.01.00 | ||||
| VABP 1/2" | VEP 12 | 19A00A003005X | |||||
| VABP 3/4" | VEP 34 |
производитель
Oleodinamica Marchesini
Если вы хотите купить клапан давления "высокое-низкое" тип VA , вы можете:
Позвонить:

