Линейный предохранительный клапан с пилотным управлением (дифференциальный) VMPP 160 л/мин 400 бар
160 л/мин 400 бар
Клапан имеет широкий диапазон регулировки, высокую пропускную способность и низкую чувствительность к изменению потока. По сравнению с предохранительным клапаном имеющим прямое управление (например VMP) имеем меньшую скорость срабатывания. Клапан имеет дополнительный порт для контроля давления.
Корпус: сталь с цинковым покрытием.
Уплотнение Buna N
Герметичность: незначительные утечки
Подключение: соединить порт Р с давлением, порт Т с баком. Порт P реверсивный.
График перепада давления от расхода

| КОД | ТИП | Макс расход, л/мин |
| V0725 | VMPP 3/4" | 120 |
| V0735 | VMPP 1" | 160 |

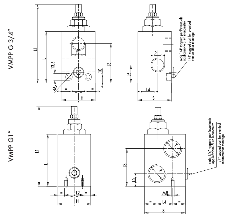
| КОД | ТИП | P-T | L | LI | L2 | L3 | 14 | L5 | H | s | Масса |
| GAS | mm | mm | mm | mm | mm | mm | mm | mm | Kg | ||
| V0725 | VMPP 3/4" | G 3/4" | 94 | 146 | 32 | 70 | 35 | 32 | 60 | 60 | 2,20 |
| V0735 | VMPP 1" | G 1" | 94 | 146 | 30 | 71 | 34 | 23 | 60 | 80 | 2,87 |
Диапазоны настройки:
| КОД | диапазон настройки давления, бар | чувствительнось, изменение настройки за 1 оборот, бар/об. | Предустановка, бар |
| КОД/200 | 20 - 200 | 40 | 160 |
| КОД/400 | 50-400 стандарт | 80 | 180 |
Тип регулировки
| КОД/V | Маховичок |
| КОД/PP | винт |
| КОД/PP | винт с колпачком |
Аналоги других производителей:
| Oleodinamica Marchesini | MTC (Walvoil) | Oleoweb | Luen | Gumec | HBS |
| VMPP 3/4" | RVDD-M-160-3/4-G (10D00CO23R05Z) | ||||
| VMPP 1" | RVDD-M-160-1-G (10D00CO23R06Z) |
производитель
Oleodinamica Marchesini
Если вы хотите купить линейный предохранительный клапан с пилотным управлением (дифференциальный) VMPP , вы можете:
Позвонить:

