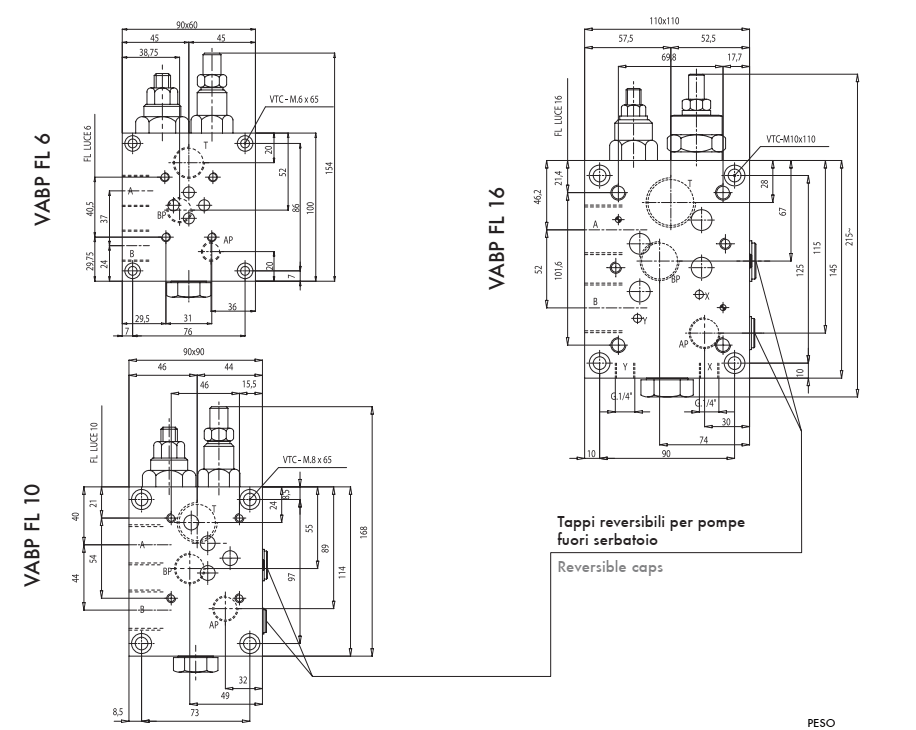
Клапан давления "высокое-низкое" для модульного монтажа Ду6, Ду10, Ду16 тип VABP FL 350 бар, до 120 л/мин 3/8", 1/2", 3/4" NG6, NG10, NG16
350 бар, до 120 л/мин
3/8", 1/2", 3/4"
NG6, NG10, NG16

Уплотнение Buna N
Герметичность: незначительные утечки

Кривые падения давления

КОД | ТИП | Расход макс. л/мин линия AP | Расход макс. л/мин линия BP | Расход макс. л/мин линия T | Давление макс., бар |
V0518 | VABP FL 6 | 20 | 40 | 60 | 350 |
V0515 | VABP FL 10 | 30 | 50 | 80 | 350 |
V0516 | VABP FL 16 | 40 | 100 | 120 | 350 |

КОД | ТИП | A GAS | в GAS | T GAS | AP GAS | BP GAS | Масса, кг |
V0518 | VABP FL 6 | G 1/2" | G 1/2" | G 1/2" | G 1/4" | G 3/8" | 3,85 |
V0515 | VABP FL 10 | G 3/4" | G 3/4" | G 3/4" | G 3/8" | G 1/2" | 6,34 |
V0516 | VABP FL 16 | G 1" | G 1" | G 1" | G 1/2" | G 3/4" | 11,93 |
Настройка пружин | ||
Клапан | BP | AP |
VALVE | (BAR) | (BAR) |
VABP FL 6 | 20-80 | 50-350 |
VABP FL 10 | 20-80 | 50-350 |
VABP FL 16 | 20-80 | 50-330 |
производитель
Oleodinamica Marchesini
Если вы хотите купить клапан давления "высокое-низкое" для модульного монтажа Ду6, Ду10, Ду16 тип VABP FL , вы можете:
Позвонить: