Гидроклапан предохранительный PRE3 стыкового монтажа 350 бар, 40 л/мин
350 бар, 40 л/мин
Гидроклапан предохранительный PRE3 представляет собой пропорциональный пилотируемый клапан управления давлением, соответствующий стандартам ISO 4401.
— Подходит для регулирования давления в гидравлических контурах.
— Клапан может быть напрямую управляем электрическим током, что позволяет максимально точно контролировать его работу.
— Эта функция улучшает безопасность и механическую надежность клапана.
— Доступные диапазоны регулирования давления до 350 бар.
| Модель | PRE3-025 | PRE3-070 | PRE3-140 | PRE3-210 | PRE3-350 |
| Значение давления при 800 мА (бар) | 28 | 82 | 145 | 215 | 335 |
| Максимальное значение давления при I > Imax (бар) | 30 | 86 | 155 | 230 | 350 |

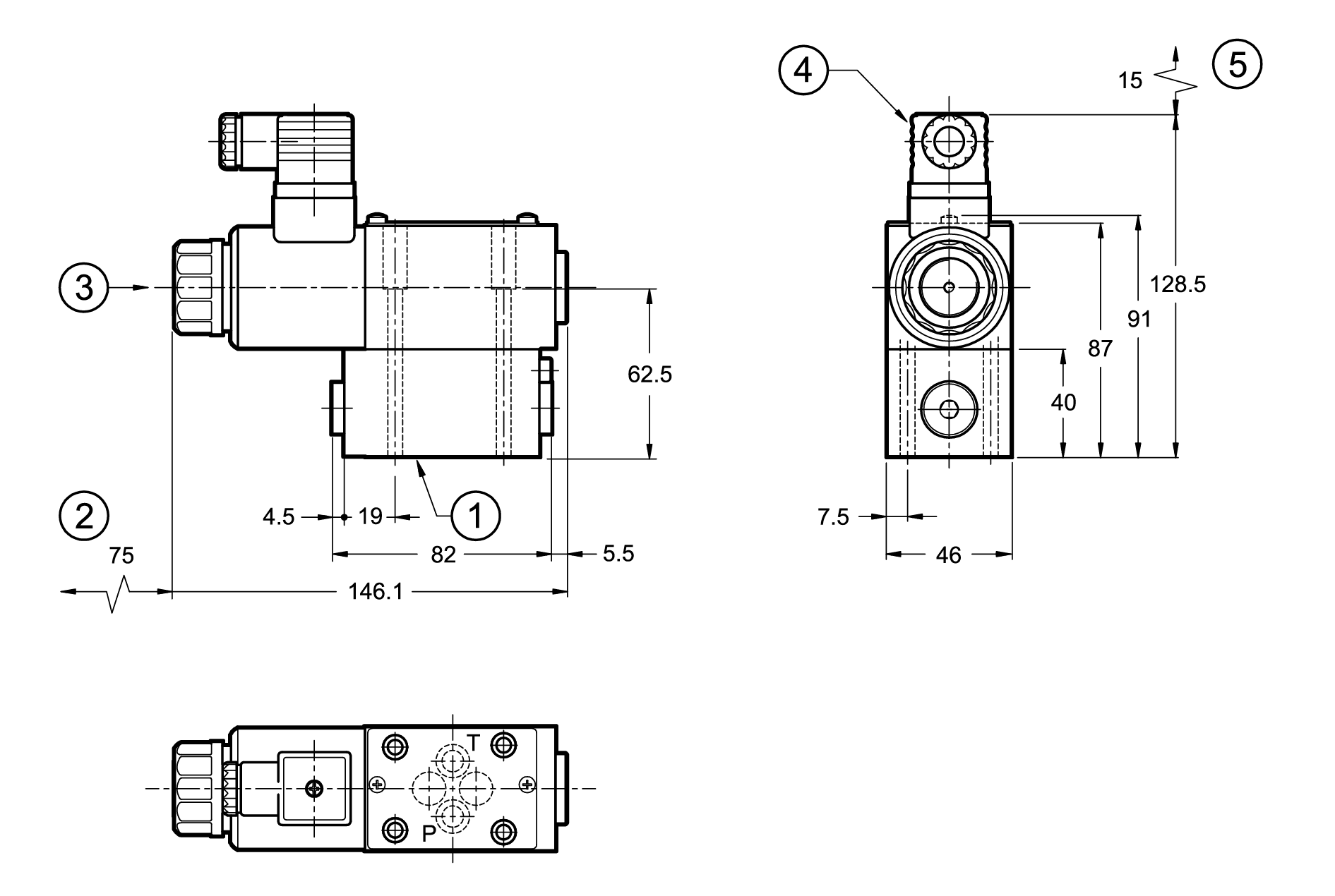
Размеры:


Гидравлическая схема:

производитель
Duplomatic Oleodinamica
Если вас заинтересовала представленная информация или вы не нашли нужный товар или услугу, пожалуйста, позвоните или отправьте запрос на консультацию:
Позвонить:

