Насос центробежный многоступенчатый погружной GP 370 л/мин 75м
370 л/мин 75м
Насос центробежный многоступенчатый GP в стандартном чугунном корпусеMакс. 370 л/мин.
Mакс.75 м
Глубина погружения от 200мм до 750мм
Кинематическая вязкость 90 мм/с²
Рабочая температура 0-80С°
Уровень шума макс. 72 дБ
Корпус : чугун
Оболочка : чугун
Вал : Сталь
Гребной винт : Латунь (GPF) - Стальное литье (IPF)
Осевой вал : Стальное литье
O-кольцо : Витон
| Применение | Резка |
| Расточка, сверление | |
| Токарная работа (вращение) | |
| Фрезеровка (вальцевание, дробление) | |
| Шлифовка | |
| Системы фильтрации | |
| Циркуляционные системы |
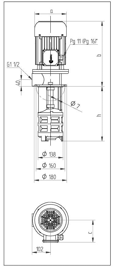
Технические характеристики и размеры
| ТИП | Глубина погружения | a | b | c | Масса | Мощность | Напряжение | Частота | Ток | Скорость вращения |
| h (mm) | мм | мм | мм | kg | kW | V( A/Y) | Hz | A | rpm | |
| GP/200 | 200 | 157 | 320 | 110 | 20 | 1.1 | 230/400 | 50 | 4.S/2.6 | 2815 |
| GP/270 | 270 | 21 | ||||||||
| GP/350 | 350 | 22 | ||||||||
| GP/440 | 440 | 23 | ||||||||
| GP/550 | 550 | 24 | ||||||||
| GP-2/190 | 190 | 176 | 340 | 122 | 26 | 1.5 | 230/400 | 50 | 6.2/3.6 | 2840 |
| GP-2/250 | 250 | 27 | ||||||||
| GP-2/320 | 320 | 28 | ||||||||
| GP-2/400 | 400 | 29 | ||||||||
| GP-2/490 | 490 | 30 | ||||||||
| GP-2/600 | 600 | 31 | ||||||||
| GP-3/240 | 240 | 176 | 364 | 124.5 | 31 | 2.2 | 230/400 | 50 | 8.7/5.0 | 2840 |
| GP-3/300 | 300 | 32 | ||||||||
| GP-3/370 | 370 | 33 | ||||||||
| GP-3/450 | 450 | 34 | ||||||||
| GP-3/540 | 540 | 35 | ||||||||
| GP-3/650 | 650 | 36 | ||||||||
| GP-4/290 | 290 | 176 | 364 | 124.5 | 35 | 2.2 | 230/400 | 50 | 8.7/5.0 | 2840 |
| GP-4/350 | 350 | 36 | ||||||||
| GP-4/420 | 420 | 37 | ||||||||
| GP-4/500 | 500 | 38 | ||||||||
| GP-4/490 | 590 | 39 | ||||||||
| GP-4/700 | 700 | 40 | ||||||||
| GP-5/340 | 340 | 194 | 398 | 145 | 41 | 3 | 230/400 | 50 | 11.1/6.6 | 2880 |
| GP-5/400 | 400 | 42 | ||||||||
| GP-5/470 | 470 | 43 | ||||||||
| GP-5/550 | 550 | 44 | ||||||||
| GP-5/640 | 640 | 45 | ||||||||
| GP-6/390 | 390 | 194 | 398 | 145 | 47 | 4 | 230/400 | 50 | 13.0/7.5 | 2885 |
| GP-6/450 | 450 | 48 | ||||||||
| GP-6/520 | 520 | 49 | ||||||||
| GP-6/600 | 600 | 50 | ||||||||
| GP-6/690 | 690 | 51 | ||||||||
| GP-7/440 | 440 | 194 | 398 | 145 | 50 | 4 | 230/400 | 50 | 13.0/7.5 | 2885 |
| GP-7/50O | 500 | 51 | ||||||||
| GP-7/570 | 570 | 52 | ||||||||
| GP-7/650 | 650 | 53 | ||||||||
| GP-9/520 | 520 | 218 | 420 | 168 | 56 | 5.5 | 230/400 | 50 | 18.0/10.4 | 2885 |
| GP-9/600 | 600 | 57 | ||||||||
| GP-9/670 | 670 | 58 | ||||||||
| GP-9/750 | 750 | 59 |

производитель
MIKSAN
Если вы хотите купить насос центробежный многоступенчатый погружной GP , вы можете:
Позвонить:

