Насос многоступенчатый погружной из нержавеющей стали серии HEB 300л/мин 235м
300л/мин 235м

HEB | ||
Технические характеристики насоса | Монтажное положение | Вертик. |
Тип крыльчатки | Зкрытая | |
Корпус | чугун | |
Улитка | нерж. сталь | |
Вал | нерж. сталь | |
Крыльчатка | нерж. сталь | |
Механическое уплотнение | C - SiC - Viton | |
Трубное соединение | G 2 | |
Hмакс (м) | 235 | |
Qмакс (л/м) | 300 | |
Двигатель | Мощность (кВ) | 0.74 - 11.0 |
Степень защиты | IP 55 | |
Ксласс изоляции | F | |
Технические характеристики жидкости | Кинематическая вязкость | 1...30 mm2/s |
Температура | 0...80 oC | |
Размер частиц - max (мм) | 2 | |
СОЖ | + | |
Шлифовальные масла | + | |
Охлаждающие жидкости | + | |
Вода | o | |
Применение | Резка | + |
Расточка, сверление | + | |
Токарная работа (вращение) | + | |
Фрезеровка (вальцевание, дробление) | + | |
Шлифовка | o | |
Сверление глубоких отверстий | + | |
Системы фильтрации | + | |
Циркуляционные системы | + |
Уровень шума макс. 72 дБ
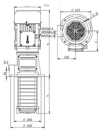
Размеры и технические характеристики
ТИП | Глубина погружения | a | b | c | Масса | Мощность | Напряжение | Частота | Ток | Скорость вращения |
h (mm) | мм | мм | мм | kg | kW | V( A/Y) | Hz | A | rpm | |
НЕВ02 | 167 | 157 | 415 | 105 | 21.4 | 1.1 | 230/400 | 50 | 4.25/2.45 | 2850 |
НЕВОЗ | 167 | 157 | 415 | 105 | 22.9 | 1.5 | 230/400 | 7.1/4.1 | 2905 | |
НЕВ04 | 194 | 176 | 437 | 124 | 25.4 | 1.5 | 230/400 | 7.1/4.1 | 2905 | |
НЕВ05 | 221 | 176 | 462 | 124 | 28.8 | 2.2 | 230/400 | 7.9/4.6 | 2895 | |
НЕВ06 | 248 | 176 | 462 | 124 | 29.5 | 3.0 | 230/400 | 11.0/6.3 | 2895 | |
НЕВ07 | 275 | 194 | 491 | 145 | 33.8 | 3.0 | 230/400 | 11.0/6.3 | 2895 | |
НЕВ08 | 302 | 194 | 491 | 145 | 34.5 | 4.0 | 230/400 | 13.0/7.5 | 2885 | |
НЕВ10 | 356 | 218 | 502 | 157 | 45.2 | 5.5 | 230/400 | 18.0/10.4 | 2885 | |
НЕВ 12 | 410 | 258 | 580 | 198 | 53.1 | 5.5 | 230/400 | 18.0/10.4 | 2885 | |
НЕВ14 | 464 | 258 | 580 | 198 | 54.2 | 7.5 | 400 | 13.5 | 2910 | |
НЕВ 16 | 518 | 258 | 618 | 198 | 55.4 | 7.5 | 400 | 13.5 | 2910 | |
НЕВ 18 | 572 | 258 | 618 | 198 | 62.6 | 7.5 | 400 | 13.5 | 2910 | |
НЕВ 20 | 626 | 258 | 618 | 198 | 63.8 | 11.0 | 400 | 19.5 | 2850 |


Если вы хотите купить насос многоступенчатый погружной из нержавеющей стали серии HEB , вы можете:
Позвонить: